| Параметр / Модель | HAM1 (19070) | HAM2 (19092) | HAM3 (19102) | HAM4 (19125) | HAM5 (19140) |
|---|---|---|---|---|---|
| Передаточное отношение | 40:1 | 37:1 | 36:1 | 36:1 | 36:1 |
| Выходной крутящий момент, Н·м | 180 | 300 | 540 | 675 | 1500 |
| Диаметр штока клапана, d (мм) | 30 | 32 | 43 | 43 | 54 |
| Рекомендуемый DN клапана (EPDM) | DN32–100 | DN100–200 | DN200–250 | DN250–350 | DN350–400 |
| Масса, кг | 1.2 | 2 | 2.8 | 4.8 | 11 |
Ручной редукторный привод серии HAM представляет собой высокоточный угловой механический оператор, разработанный для плавного и надежного управления запорной арматурой. Изделие предназначено для автоматизации шаровых кранов и дисковых затворов с поворотом на 90° (четверть оборота).
Привод отличается компактными габаритами и малым весом благодаря цельнолитому корпусу из алюминиевого сплава, что делает его оптимальным решением для промышленных трубопроводных систем, где важны простота монтажа и долговечность.
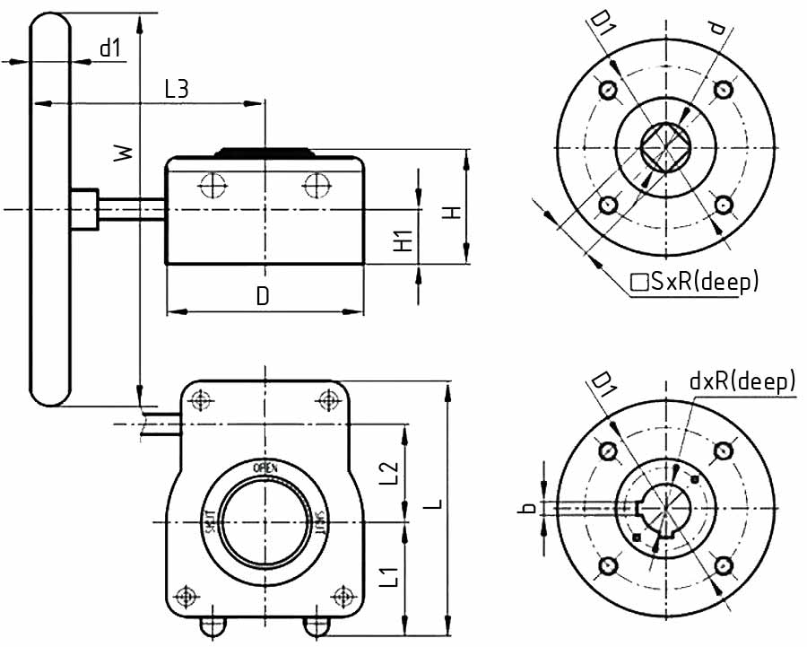
Конструкция предусматривает прямой монтаж на арматуру по международному стандарту ISO 5211, обеспечивая универсальность и установку без переходных плит и кронштейнов. Серия HAM включает пять моделей с выходным крутящим моментом от 180 до 1500 Н·м для клапанов диаметром от DN32 до DN400.
Высокая степень защиты корпуса IP67 гарантирует стабильную работу в условиях пыли, влаги и временного погружения, что делает приводы востребованными в нефтегазовой, химической, водоподготовке и других отраслях промышленности.

| Параметр | HAM1 | HAM2 | HAM3 | HAM4 | HAM5 |
|---|---|---|---|---|---|
| Диаметр фланца D, мм | 80 | 100 | 120 | 142 | 175 |
| PCD – D1, мм | 50 / 70 | 70 / 90 | 70 / 102 | 102 / 125 | 102 / 125 / 140 |
| Диаметр отверстий S, мм | 8 / 9 / 11 / 14 / 17 | 11 / 14 / 17 | 17 / 19 / 22 | 19 / 22 / 24 | 22 / 24 / 27 |
| Параметр | HAM1 | HAM2 | HAM3 | HAM4 | HAM5 |
|---|---|---|---|---|---|
| L, мм | 115 | 130 | 150 | 180 | 220 |
| L1, мм | 50 | 58 | 65 | 80 | 95 |
| L2, мм | 42 | 50 | 60 | 60 | 78 |
| H, мм | 48 | 58 | 58 | 74 | 84 |
| H1, мм | 19 | 18 | 18 | 21 | 51 |
| Диаметр маховика, мм | 20 | 20 | 20 | 20 | 25 |
| Длина маховика, мм | 160 | 160 | 215 | 225 | 325 |
| Вылет маховика, мм | 140 | 200 | 250 | 300 | 400 |
Преимущества:
Область применения:
Принцип работы.
Принцип действия основан на преобразовании небольшого усилия оператора в значительный крутящий момент с помощью червячной пары. Вращение маховика передается на червяк, затем на червячное колесо и выходной вал, соединенный со штоком клапана.
За счет передаточного числа 36:1–40:1 достигается точный поворот штока на 90° с усилием, достаточным для открытия и закрытия арматуры под высоким давлением.