Ручной привод серии HWG для арматуры

Цена по запросу
Запросить условия и сроки поставки
  • Перезвоним в течении 15 минут
  • Отправим цены и услови поставки
  • Уточним требования к оборудованию
  • Выгодный лизинг от 6.9%
  • Гарантия 2 года
  • Доставка по РФ и странам СНГ
Получить конкурентный счет
  • Описание
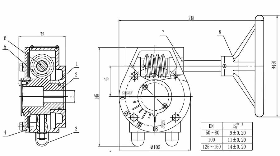
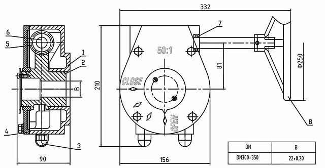
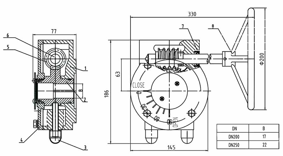
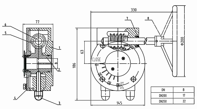
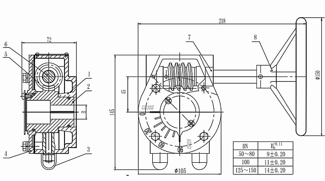
Наименование изделияПривод ручной HWG
Материал корпусаВысокопрочный чугун
Тип редуктораЧервячный, одноступенчатый
Передаточные числа24:1, 30:1, 50:1
Присоединение к арматуреФланцевое
Диапазон присоединенияот DN50 до DN350
Диапазон присоединения (NPS)от 2″ до 14″
УплотненияМанжеты NBR, специальные уплотнительные прокладки
Температурный диапазон эксплуатацииот -20°C до +120°C
Основное назначениеРучной дублер для приводов арматуры

Привод редукторный ручной чугунный серии HWG представляет собой надежный червячный редуктор, разработанный для механического (ручного) управления запорной и регулирующей арматурой — задвижками, клиновыми затворами, шаровыми кранами — в качестве независимого резервного средства. Он специально создан для эксплуатации в сложных условиях: на открытом воздухе, при повышенной влажности, запыленности и в широком температурном диапазоне.

Основное назначение привода — обеспечение бесперебойной работы технологических линий и трубопроводов в случае отключения основного источника энергии (электропитания, пневматики) на автоматизированных клапанах. Корпус из прочного чугуна гарантирует защиту внутреннего механизма от механических повреждений и коррозии.

Конструкция привода продумана для минимизации обслуживания и максимального срока службы. Установленный на валу червяка подшипник существенно снижает усилие, необходимое для вращения маховика, обеспечивая плавный и легкий ход даже под нагрузкой. Червячная пара отличается высокой плавностью передачи крутящего момента. Для защиты от внешних воздействий применены маслостойкие манжеты и уплотнительные прокладки, обеспечивающие надежную защиту от пыли и влаги при постоянной наружной установке.

Таблица соответствия размера, передаточного числа и фланца

Передаточное число Размер DN Размер NPS (дюйм) Код присоединительного фланца
24:1502″F05
24:1652 1/2″F05
24:1803″F05
24:11004″F07
24:11255″F07
24:11506″F07
30:12008″F010
30:125010″F010
50:130012″F010
50:135014″F010

Преимущества:

  • Всепогодное исполнение и защита.
    Герметичность корпуса, достигаемая за счет сальников и межфланцевых прокладок, предотвращает попадание внутрь пыли, грязи и струй воды. Широкий температурный диапазон эксплуатации (-20°C…+120°C) позволяет использовать привод в любых климатических зонах.
  • Эргономика и безопасность.
    Подшипник на валу червяка снижает трение и делает ручное управление арматурой легким, плавным и не требующим значительных физических усилий.

Область применения:

  • Коммунальное хозяйство и муниципальное строительство — управление задвижками на сетях водоснабжения, теплоснабжения и водоотведения.
  • Водохозяйственные и мелиоративные системы — шлюзы, насосные станции, каналы и объекты регулирования уровня воды.
  • Промышленная водоподготовка и очистка сточных вод — управление затворами и клапанами на очистных сооружениях и фильтрационных станциях.
  • Общепромышленное применение — ручной дублер автоматизированных клапанов в химической, нефтегазовой, горнодобывающей и других отраслях.

Принцип работы:

  1. Ручное воздействие. Оператор вращает рукоятку (маховик), жестко зафиксированную на валу червяка.
  2. Передача и преобразование усилия. Вращение червяка передается на червячное колесо, обеспечивая многократное увеличение крутящего момента за счет передаточного числа 24:1, 30:1 или 50:1.
  3. Управление арматурой. Выходной вал, соединенный с арматурой через унифицированный фланец, приводит к перемещению затвора задвижки или повороту шара шарового крана.

загрузка карты...
ООО "Строймеханика" Адрес: г. Тула, ул. Люлина, 6а Телефон: 8 (800) 777-16-36 E-mail: info@stroymehanika.ru
Заказать звонок
Наш менеджер перезвонит вам в течении 5 минут
Оставить заявку
Наш специалист свяжется с вами в течении 5 минут
Менеджер
Заказать расчет
Бесплатный расчет сметы в течении одного дня