Блок концевых выключателей APL230

Цена по запросу
Запросить условия и сроки поставки
  • Перезвоним в течении 15 минут
  • Отправим цены и услови поставки
  • Уточним требования к оборудованию
  • Выгодный лизинг от 6.9%
  • Гарантия 2 года
  • Доставка по РФ и странам СНГ
Получить конкурентный счет
  • Описание
АртикулAPL230
Материал корпусаЛитой алюминиевый сплав, покрытие порошковой краской
Материал внутренних компонентовПК (поликарбонат), ППО (полифениленоксид), АБС-пластик, ПА (полиамид), нержавеющая сталь SUS304
Класс защиты оболочкиIP67
Стандарт защитыIP65
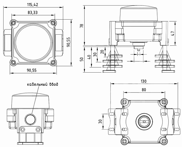
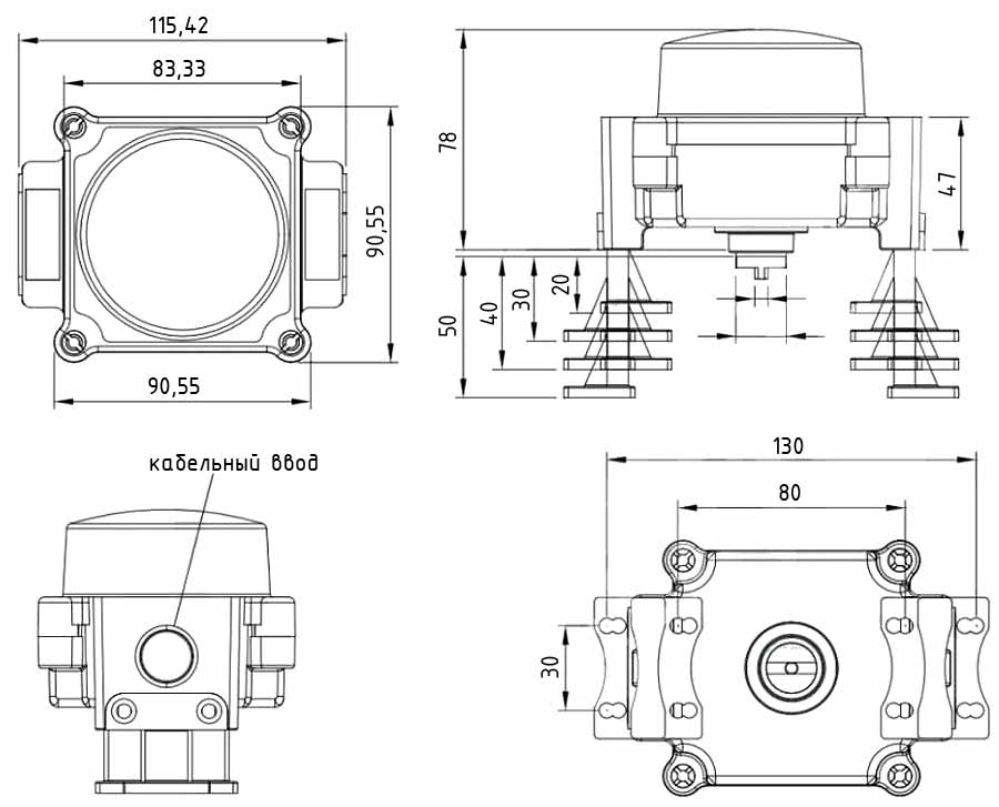
Подключение2 ввода для кабеля с резьбой M20
Тип концевых выключателей2 механических переключателя SPDT
Электрические параметры250 VAC / 0.3 A, 125 VAC / 0.6 A, 250 VDC / 0.3 A, 125 VDC / 0.6 A, 30 VDC / 10 A
Рабочая температураот -20°C до +70°C
Материал валаНержавеющая сталь
Материал монтажного кронштейнаУглеродистая сталь или нержавеющая сталь (опция)
Опциональные датчикиБесконтактные датчики приближения
Особенности конструкцииИнтегрированные монтажные лапы NAMUR

Блок концевых выключателей APL230 представляет собой компактный и надежный контрольный прибор, предназначенный для визуального и электрического мониторинга положения клапанов и приводов в промышленных условиях. Конструкция устройства разработана для максимальной эффективности: корпус из литого алюминиевого сплава с порошковым покрытием обеспечивает прочность и устойчивость к коррозии, а высокая степень защиты оболочки IP67 гарантирует бесперебойную работу в сложных погодных условиях и при воздействии пыли и влаги.

Особенностью модели APL230 является интегрированная конструкция с монтажными лапами стандарта NAMUR, что полностью устраняет необходимость в отдельных кронштейнах и адаптерах. Это решение значительно экономит время и средства на этапе установки и монтажа. Яркий индикатор положения с высокой видимостью позволяет оператору четко определять статус — «Открыто» или «Закрыто» — даже с большого расстояния, что критически важно для безопасности и удобства обслуживания технологических линий.

Гибкость конфигурации: в базовой версии установлены два механических переключателя типа SPDT (однополюсный на два направления), но опционально могут быть установлены бесконтактные датчики приближения. Благодаря разнообразию электрических характеристик (работа с переменным и постоянным напряжением) и широкому температурному диапазону от -20°C до +70°C, данный концевой выключатель подходит для использования как в стандартных условиях с защитой IP65, соответствующих стандартам NAMUR.

Преимущества:

  • Экономия на установке. Встроенные монтажные лапы стандарта NAMUR исключают покупку и установку отдельных переходных кронштейнов, сокращая сроки монтажа и общие затраты на интеграцию.
  • Высокая видимость и надежность. Крупный и контрастный индикатор положения обеспечивает мгновенное визуальное определение состояния арматуры даже с большого расстояния или в условиях плохой видимости, повышая безопасность технологических процессов.
  • Универсальность и гибкость. Широкий диапазон рабочих напряжений и токов, возможность выбора между механическими и бесконтактными датчиками, а также исполнение для разных сред IP65.
  • Превосходная защита. Степень защиты корпуса IP67 гарантирует долговечную и безотказную работу в самых суровых условиях, включая прямое воздействие воды, пыли и экстремальные температуры.
  • Прочная конструкция. Корпус из литого алюминиевого сплава и ключевые элементы из нержавеющей стали обеспечивают высокую механическую прочность и устойчивость к коррозии в агрессивных промышленных средах.

Блок концевых выключателей APL230 предназначен для точного контроля положения различной трубопроводной арматуры и приводов (электрических, пневматических, гидравлических). Он широко используется в:

  • Нефтегазовой и химической промышленности.
  • Водоочистных сооружениях и системах водоподготовки.
  • Энергетике (ТЭЦ, АЭС, котельные).
  • Пищевом и фармацевтическом производстве.
  • Системах вентиляции и кондиционирования.
  • Любых технологических линиях, где требуется дистанционный визуальный и электрический контроль состояния запорно-регулирующей аппаратуры.

Принцип работы.
Принцип действия блока концевых выключателей APL230 основан на механическом преобразовании вращательного движения вала привода в электрический сигнал и четкий визуальный индикатор. Вал выключателя, изготовленный из нержавеющей стали, механически соединяется с валом управляемого устройства (клапана или привода). При его повороте (обычно на 90°) внутренние кулачки воздействуют на рычаги механических переключателей (или срабатывают бесконтактные датчики в опциональном исполнении), коммутируя электрические цепи в зависимости от достигнутого положения - «Открыто» или «Закрыто».

Одновременно с этим через систему шестерен и валов (изготовленных из полиамида) вращение передается на внешний индикатор, который поворачивается, четко отображая текущее положение цветовой маркировкой (например, красный/зеленый сектор или надписи). Таким образом, устройство обеспечивает два независимых канала обратной связи: электрический - для системы управления (АСУ ТП, ПЛК) и визуальный - для персонала непосредственно на месте установки.


загрузка карты...
ООО "Строймеханика" Адрес: г. Тула, ул. Люлина, 6а Телефон: 8 (800) 777-16-36 E-mail: info@stroymehanika.ru
Заказать звонок
Наш менеджер перезвонит вам в течении 5 минут
Оставить заявку
Наш специалист свяжется с вами в течении 5 минут
Менеджер
Заказать расчет
Бесплатный расчет сметы в течении одного дня