
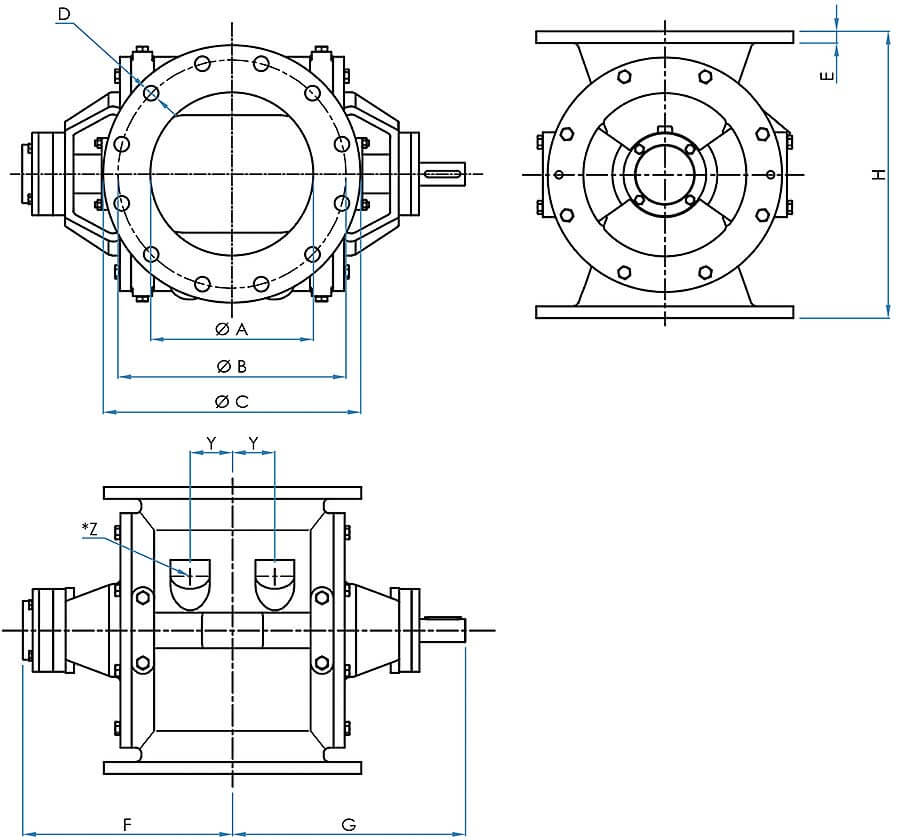
| Модель | Объём, л/об | Вход*/Выход | Прочие размеры | |||||||||||
|---|---|---|---|---|---|---|---|---|---|---|---|---|---|---|
| ØA | ØB (DIN) | ØC (DIN) | D (DIN) | ØB (ANSI) | ØC (ANSI) | D (ANSI) | E | H | F | G | Y | *Z | ||
| RVS 100 | 1 | 100 | 180 | 220 | 8ר18 | — | — | — | 10 | 190 | 205 | 230 | — | — |
| RVS 150 | 4 | 150 | 240 | 285 | 8ר22 | 241,3 | 279 | 8ר22,2 | 15 | 320 | 245 | 265 | 37,5 | 1″ |
| RVS 200 | 10 | 200 | 295 | 340 | 8ר22 | 298,4 | 343 | 8ר22,2 | 15 | 380 | 275 | 305 | 55 | 1¼″ |
| RVS 250 | 18 | 250 | 350 | 395 | 8ר22 | 361,9 | 406 | 8ר25,4 | 18 | 440 | 322 | 355 | 65 | 1¼″ |
| RVS 300 | 30 | 300 | 400 | 445 | 8ר22 | 431,8 | 483 | 8ר25,4 | 23 | 520 | 365 | 405 | 85 | 1¼″ |
| RVS 350 | 45 | 350 | 460 | 505 | 8ר22 | 476,2 | 533 | 8ר28,6 | 25 | 580 | 403 | 445 | 90 | 1½″ |
| RVS 400 | 65 | 400 | 515 | 565 | 8ר24 | 539,7 | 597 | 8ר28,6 | 25 | 640 | 433 | 475 | 105 | 1½″ |
| RVS 450 | 90 | 450 | 565 | 615 | 8ר24 | 577,8 | 635 | 8ר31,7 | 25 | 700 | 468 | 535 | 115 | 1½″ |
| RVS 500 | 120 | 500 | 620 | 670 | 8ר24 | 635 | 699 | 8ר31,7 | 30 | 780 | 513 | 575 | 130 | 2″ |
| RVS 600 | 200 | 600 | 725 | 780 | 8ר30 | 749,3 | 813 | 8ר34,9 | 35 | 930 | 578 | 640 | 190 | 2″ |
| *Примечание: возможны технические изменения. Размеры в мм. | ||||||||||||||