Роторный шлюзовой питатель RVC предназначен для дозированной подачи и герметичного отсечения потоков порошков и гранулятов в системах пневмотранспорта и гравитационных узлах. Узел обеспечивает стабильный воздушный затвор между зонами с разным давлением, что критично для работы фильтров, циклонов и транспортных линий - как при вакуумной, так и при напорной подаче. Базовая компоновка включает высокоточные посадки и малые радиальные зазоры между ротором и корпусом для минимизации утечек воздуха, а также вынесенные наружу подшипники и развитую систему уплотнений валов.
Корпус и торцевые крышки - литые из высокопрочного чугуна с последующей механической обработкой; под среду и износ могут применяться внутренние покрытия: твёрдый хром, карбид вольфрама, PTFE (тефлон). Ротор на 6/10/12 лопастей, с возможностью закрытых торцов, регулируемых/сменных наконечников и геометрий для разных материалов (в т. ч. радиусные карманы для лучшего опорожнения). Для корректной интеграции в существующие трубопроводы предусмотрены фланцы со сверловкой под GB/DIN PN10, ANSI 150#, JIS 10K.
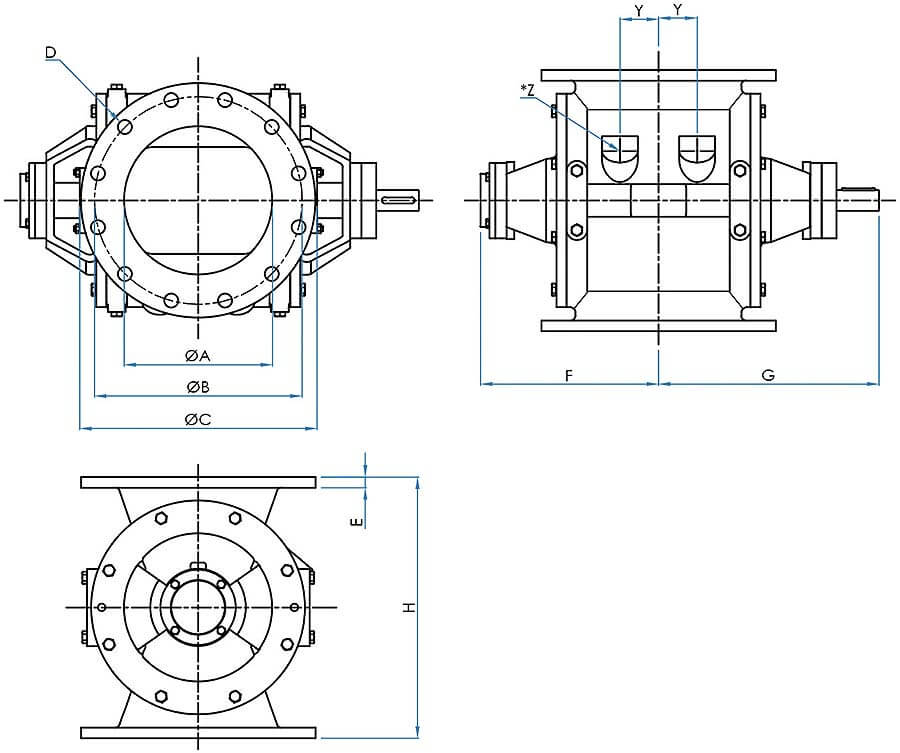
Серия покрывает 10 типоразмеров по DN 100–600 и 10 высот узла 190–930 мм, что позволяет точно подобрать устройство под требуемую производительность и монтажное место. Допускается эксплуатация при перепаде давления до 1,5 бар и температурах до 200 °C (в соответствующем исполнении). Для повышения надёжности доступны опции: продувка валов, вент-порты корпуса, ловушка посторонних включений, датчик скорости, вент-бокс и станция регулирования продувки.
Материал через верхний патрубок заполняет карманы ротора. По мере вращения карманы последовательно изолируются от верхней зоны и разгружаются вниз через выходной патрубок. Малые зазоры «ротор-корпус», уплотнения валов (лабиринт/сальник) и, при необходимости, продувка валов ограничивают переток воздуха, поддерживая перепад давления между зонами. Такая кинематика обеспечивает одновременную дозировку и поддержание воздушного затвора, что сохраняет эффективность фильтров/циклонов и стабильность пневмотранспорта.

| Модель | Объём, л/об | Вход*/Выход | Прочие размеры | |||||||||||
|---|---|---|---|---|---|---|---|---|---|---|---|---|---|---|
| ØA | ØB (DIN) | ØC (DIN) | D (DIN) | ØB (ANSI) | ØC (ANSI) | D (ANSI) | E | H | F | G | Y | *Z | ||
| RVC 100 | 1 | 100 | 180 | 220 | 8ר18 | — | — | — | 10 | 190 | 180 | 240 | — | — |
| RVC 150 | 4 | 150 | 240 | 285 | 8ר22 | 241,3 | 279 | 8ר22.2 | 15 | 320 | 225 | 275 | 37,5 | 1″ |
| RVC 200 | 10 | 200 | 295 | 340 | 8ר22 | 298,4 | 343 | 8ר22.2 | 15 | 380 | 255 | 315 | 55 | 1¼″ |
| RVC 250 | 18 | 250 | 350 | 395 | 8ר22 | 361,9 | 406 | 8ר25.4 | 18 | 440 | 300 | 370 | 65 | 1¼″ |
| RVC 300 | 30 | 300 | 400 | 445 | 8ר22 | 431,8 | 483 | 8ר25.4 | 23 | 520 | 340 | 420 | 85 | 1¼″ |
| RVC 350 | 45 | 350 | 460 | 505 | 8ר22 | 476,2 | 533 | 8ר28.6 | 25 | 580 | 378 | 460 | 90 | 1½″ |
| RVC 400 | 65 | 400 | 515 | 565 | 8ר 24 | 539,7 | 597 | 8ר28.6 | 25 | 640 | 408 | 490 | 105 | 1½″ |
| RVC 450 | 90 | 450 | 565 | 615 | 8ר 24 | 577,8 | 635 | 8ר31.7 | 25 | 700 | 445 | 550 | 115 | 1½″ |
| RVC 500 | 120 | 500 | 620 | 670 | 8ר 24 | 635 | 699 | 8ר31.7 | 30 | 780 | 480 | 595 | 130 | 2″ |
| RVC 600 | 200 | 600 | 725 | 780 | 8ר30 | 749,3 | 813 | 8ר34.9 | 35 | 930 | 550 | 660 | 190 | 2″ |
| *Примечание: возможны технические изменения. Размеры в мм. | ||||||||||||||