Роторный клапан серии RVB для гранулированных материалов предназначен для дозированной подачи и герметичного отсечения потока пеллет, гранул и крупнозернистых порошков в гравитационных узлах и системах пневмотранспорта (вакуум/напор). Ключевая особенность - специальный вход против среза увеличенного сечения, который аккуратно подаёт гранулы в карманы ротора, сводя к минимуму их разрушение и пылеобразование. Для ввода непосредственно в пневмомагистраль доступна компоновка с подающей «скобой», что уменьшает потребность в отдельном газоотводе при правильной обвязке.
Корпус и торцевые плиты - из литой нержавеющей стали AISI 304/316/304L/316L (стандарт — SS304), с высокоточной обработкой и минимальными радиальными зазорами «ротор-корпус» для низких утечек. В базовой комплектации - вынесенные наружу подшипники, вент-порты корпуса, уплотнение валов (лабиринт/сальник) с опцией продувки валов. Для сложных сред доступны внутренние покрытия твёрдый хром, карбид вольфрама, PTFE (тефлон); сменные наконечники лопастей повышают ремонтопригодность.
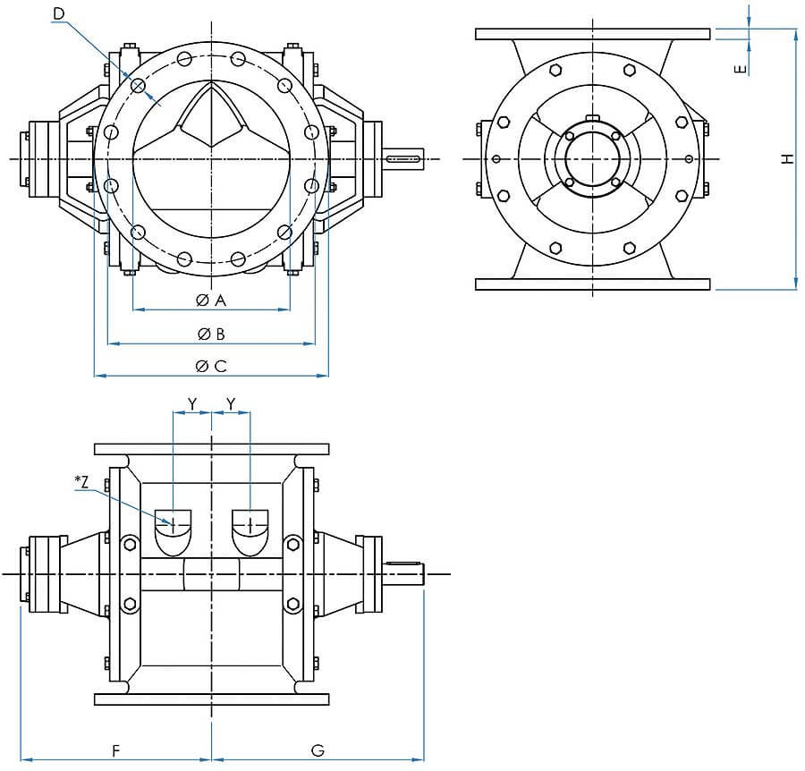
Ротор подбирается под продукт: 6 / 10 / 12 лопастей, геометрии (U-образные), радиусные карманы, а также регулируемые или сменные наконечники для точной герметизации. Такая конфигурация повышает заполнение карманов и снижает разрушение гранул.
Материал заполняет карманы ротора через увеличенный, мягкий по траектории вход. По мере вращения карманы по очереди отделяются от верхней зоны и выгружаются в нижний патрубок либо в подающую скобу для ввода в пневмолинию. Увеличенная горловина и геометрия карманов снижают ударные нагрузки и срез гранул, сохраняя фракционный состав. Малые зазоры и уплотнение валов удерживают перепад давления и минимальные утечки, а продувка валов защищает уплотнения от пыли. Такой режим позволяет одновременно выполнять дозирование и поддержание воздушного затвора для стабильной работы фильтров/циклонов и пневмотранспорта.

| Модель | Объём, л/об | Вход*/Выход | Прочие размеры | |||||||||||
|---|---|---|---|---|---|---|---|---|---|---|---|---|---|---|
| ØA | ØB (DIN) | ØC (DIN) | D (DIN) | ØB (ANSI) | ØC (ANSI) | D (ANSI) | E | H | F | G | Y | *Z | ||
| RVB 150 | 4 | 150 | 240 | 285 | 8ר22 | 241,3 | 279 | 8ר22,2 | 15 | 320 | 245 | 265 | 37,5 | 1″ |
| RVB 200 | 10 | 200 | 295 | 340 | 8ר22 | 298,4 | 343 | 8ר22,2 | 15 | 380 | 275 | 305 | 55 | 1¼″ |
| RVB 250 | 18 | 250 | 350 | 395 | 8ר22 | 361,9 | 406 | 8ר25,4 | 18 | 440 | 322 | 355 | 65 | 1¼″ |
| RVB 300 | 30 | 300 | 400 | 445 | 8ר22 | 431,8 | 483 | 8ר25,4 | 23 | 520 | 365 | 405 | 85 | 1¼″ |
| *Примечание: возможны технические изменения. Размеры в мм. | ||||||||||||||