| Назначение | Дозированная выгрузка пыли/порошков из фильтров, циклонов и бункеров с поддержанием воздушного замка |
| Материал корпуса/крышек | Литой корпус из чугуна с высокоточной обработкой |
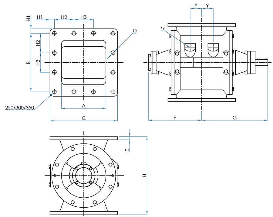
| Ротор | 6/10/12 лопастей; закрытые торцы, регулируемые/сменные наконечники |
| Подшипники | Вынесенные наружу |
| Уплотнения валов | Лабиринтные/сальниковые |
| Внутренние покрытия | Твёрдый хром, карбид вольфрама, PTFE (тефлон) |
| Диапазон давления | до 1,5 бар |
| Температура среды | до 200 °С (в соответствующем исполнении) |
| Присоединение | Фланцы GB/DIN PN10, ANSI 150#, JIS 10K |
| Доп. оснащение | Вент-порты корпуса, датчик скорости, вент-бокс, станция регулировки продувки |
| Особенности класса | Оптимизация для пылеулавливателей: стабильное заполнение при мелкодисперсной пыли, компактная высота, низкие утечки |
Роторный шлюзовой питатель для систем пылеулавливания серии RFC предназначен для стабильной дозированной выгрузки пыли, мелких порошков и гранулятов из рукавных фильтров, циклонов, шлюзовых бункеров и узлов аспирации с одновременным поддержанием воздушного затвора между зонами с разным давлением. Клапан работает как при вакууме, так и при небольшом избыточном давлении, снижая подсос воздуха в систему пылеулавливания и сохраняя работоспособность фильтров и вентиляторов. Конструкция - литой корпус с высокоточной обработкой, малые радиальные зазоры «ротор-корпус», вынесенные подшипники, а также развитые узлы уплотнения валов для минимальных утечек.
Серия ориентирована на непрерывную работу под циклонами и рукавными фильтрами, где важны простота монтажа и ремонтопригодность. По отраслевым рекомендациям такие клапаны - ключевой элемент для стабильной работы пылеулавливания: они непрерывно выгружают осаждённую пыль из бункера, предотвращая образование сводов, обеспечивают герметичный отбор материала и исключают потерю расхода из-за «короткого замыкания» воздуха в коллекторе. Аналогичные исполнения для пылевых условий применяются у глобальных производителей и считаются стандартом для серийных аспирационных установок.
Для увеличения ресурса и настройки под материал предусмотрены опции: внутренние покрытия твёрдый хром, карбид вольфрама, PTFE (тефлон) для абразивных и налипающих сред; продувка валов; вентиляционные порты корпуса; сменные наконечники лопастей; варианты ротора 6, 10 или 12 лопастей (в том числе с закрытым торцом) - баланс герметичности и пропускной способности. Доступны стандарты фланцев GB/DIN PN10, ANSI 150#, JIS 10K для простой интеграции. Допускается эксплуатация при перепаде давления до 1,5 бар и температуре до 200 °С (специальное исполнение).
В сравнении с клапанами общего назначения серия для систем пылеулавливания целенаправленно оптимизирована под лёгкие и средние режимы при невысоких ΔP в пылеулавливателях: она компактна по высоте, обеспечивает стабильное заполнение карманов при мелкодисперсной пыли и сохраняет требуемую герметичность в типичных диапазонах давления аспирационных систем. Это подтверждается отраслевыми руководствами по подбору клапанов для пылесборников.
Материал из-под фильтра или циклона самотёком заполняет карманы ротора через верхний патрубок. По мере вращения карманы последовательно отделяются от верхней зоны и разгружаются через нижний патрубок, поддерживая постоянный воздушный затвор между объёмом пылесборника и атмосферой или линией пневмотранспорта. Малые зазоры, лабиринтные и сальниковые узлы и вынесенные подшипники снижают переток воздуха, а опциональная продувка валов защищает уплотнения от пыли. Такая работа сохраняет разрежение в фильтре, предотвращает выброс пыли в зону обслуживания и обеспечивает дозированную выгрузку без залипания.

| Модель | Объём, л/об | Вход*/Выход | Прочие размеры | |||||||||||
|---|---|---|---|---|---|---|---|---|---|---|---|---|---|---|
| A | B | C | D | H1 | H2 | H3 | E | H | F | G | Y | *Z | ||
| RFC 150 | 4 | 150 | 220 | 260 | 8ר22 | 60 | 279 | 8ר22,2 | 15 | 320 | 245 | 265 | 37,5 | 1″ |
| RFC 200 | 10 | 200 | 280 | 320 | 8ר22 | 80 | 343 | 8ר22,2 | 15 | 380 | 275 | 305 | 55 | 1¼″ |
| RFC 250 | 18 | 250 | 330 | 380 | 8ר22 | 25 | 406 | 8ר25,4 | 18 | 440 | 322 | 355 | 65 | 1¼″ |
| RFC 300 | 30 | 300 | 390 | 440 | 8ר22 | 25 | 483 | 8ר25,4 | 23 | 520 | 365 | 405 | 85 | 1¼″ |
| RFC 350 | 45 | 350 | 450 | 510 | 8ר22 | 30 | 533 | 8ר28,6 | 25 | 580 | 403 | 445 | 90 | 1½″ |
| RFC 400 | 65 | 400 | 500 | 560 | 8ר24 | 30 | 597 | 8ר28,6 | 25 | 640 | 433 | 475 | 105 | 1½″ |
| *Примечание: возможны технические изменения. Размеры в мм. | ||||||||||||||