| Назначение | Дозирование и герметичный ввод материала в линию пневмотранспорта (вакуум/избыточное давление) |
| Материалы корпуса/крышек | Нержавеющая сталь AISI 304/316/304L/316L; стандарт - SS304 |
| Ротор | 10 или 12 лопастей, радиусные карманы; регулируемые/сменные наконечники лопастей |
| Подшипники | Вынесены наружу |
| Уплотнение валов | Лабиринтные/сальниковые узлы; продувка валов - опция |
| Внутренние покрытия | Твёрдый хром / карбид вольфрама / PTFE (Тефлон) |
| Перепад давления, ΔP | 1,5 бар |
| Температура среды | До 200 °C (в соответствующем исполнении) |
| Присоединительные фланцы | DIN PN10, ANSI 150#, JIS 10K |
| Корпус | Литой с высокоточной механической обработкой, вент-порты корпуса |
| Аксессуары | Сбросной короб, датчик контроля скорости, короб вентиляции, станция регулировки продувки |
| Особенности | Продувной канал выполнен через корпус и ротор для выдува материала из карманов; утечки сведены к минимуму за счёт малых зазоров и узлов продувки |
Роторные продувные питатели серии RBL предназначены для прямой подачи порошков и гранулятов непосредственно в трубопровод пневмотранспорта. В зоне выгрузки через встроенный продувной канал транспортный газ проходит вдоль лопастей и «выдувает» материал из карманов ротора - это снижает остатки и улучшает заполняемость при плохо транспортируемых порошках. Конструкция рассчитана на работу в вакуумных и напорных линиях и обеспечивает стабильный воздушный затвор за счёт малых допусков между ротором и корпусом, а также развитой системы уплотнений валов.
Корпус и крышки выполняются из нержавеющей стали AISI 304/316/304L/316L с высокоточной механической обработкой; стандарт - SS304. В базовую комплектацию входят вынесенные наружу подшипники и лабиринтные/сальниковые узлы, а для тяжёлых условий доступна продувка валов воздухом. Внутренние поверхности могут иметь износостойкие покрытия - твёрдый хром, карбид вольфрама, PTFE - для абразивных и налипающих сред.
Ротор подбирается под продукт: 10 или 12-лопастной, с радиусными карманами и сменными/регулируемыми наконечниками лопастей. Конструкция корпуса содержит вент-порты; доступны аксессуары: ловушка посторонних включений, монитор скорости, вент-бокс и станция регулировки продувки. Такое оснащение позволяет добиться минимальных утечек, стабильной дозировки и высокой повторяемости подачи.
Серия RBL рассчитана на перепад давления до 1,5 бар и температуры до 200 °C в высокотемпературном исполнении. Диапазон типоразмеров - от DN 150 до DN 300, что покрывает большинство узлов подачи в пищевой, химической, зерновой, пластиковой и фармацевтической отрасли.
Продувной роторный питатель объединяет функции дозатора и воздушного затвора. Материал из бункера заполняет карманы ротора через входной фланец. При вращении карманы перемещаются к выходу, где встроенный продольный канал подключён к линии транспортного воздуха и продувает карманы в сторону магистрали. Это резко снижает «мертвые остатки», улучшает самоочистку карманов и минимизирует перетоки между зонами давления.

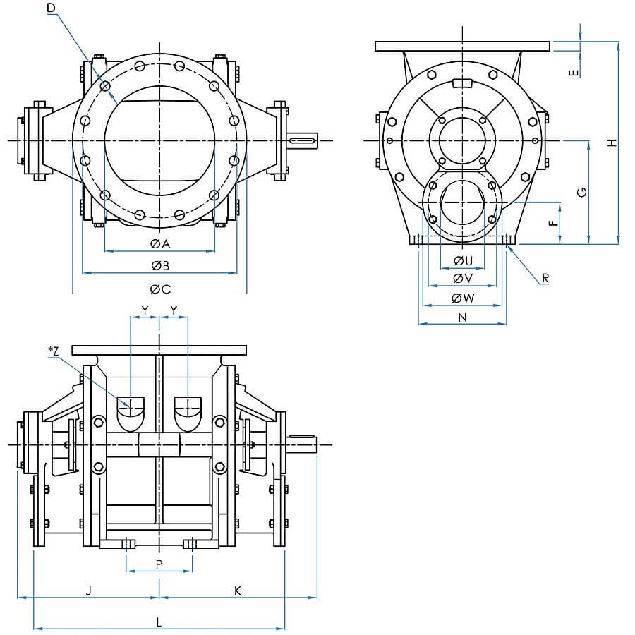
| Модель | Объём, л/об | Вход* | Канал продувки | ||||||||
|---|---|---|---|---|---|---|---|---|---|---|---|
| ØA | ØB (DIN) | ØC (DIN) | D (DIN) | ØB (ANSI) | ØC (ANSI) | D (ANSI) | ØU | ØV | ØW | ||
| RBL 150 | 4 | 150 | 240 | 285 | 8ר22 | 241,3 | 279 | 8ר22,2 | 65 | 100 | 130 |
| RBL 200 | 10 | 200 | 295 | 340 | 8ר22 | 298,4 | 343 | 8ר22,2 | 80 | 130 | 150 |
| RBL 250 | 18 | 250 | 350 | 395 | 8ר22 | 361,9 | 406 | 8ר25,4 | 100 | 155 | 180 |
| RBL 300 | 30 | 300 | 400 | 445 | 8ר22 | 431,8 | 483 | 8ר25,4 | 125 | 180 | 210 |
| Модель | Прочие размеры | |||||||||||
|---|---|---|---|---|---|---|---|---|---|---|---|---|
| E | F | G | H | J | K | L | N | P | R | Y | *Z | |
| RBL 150 | 18 | 70 | 170 | 340 | 245 | 265 | 370 | 130 | 100 | 4ר16 | 37.5 | 1″ |
| RBL 200 | 18 | 80 | 200 | 390 | 275 | 305 | 430 | 160 | 130 | 4ר16 | 55 | 1¼″ |
| RBL 250 | 21 | 95 | 235 | 460 | 322 | 355 | 510 | 200 | 150 | 4ר18 | 65 | 1¼″ |
| RBL 300 | 25 | 110 | 270 | 530 | 365 | 405 | 590 | 240 | 180 | 4ר18 | 85 | 1¼″ |
| *Примечание: возможны технические изменения. Размеры в мм. | ||||||||||||