
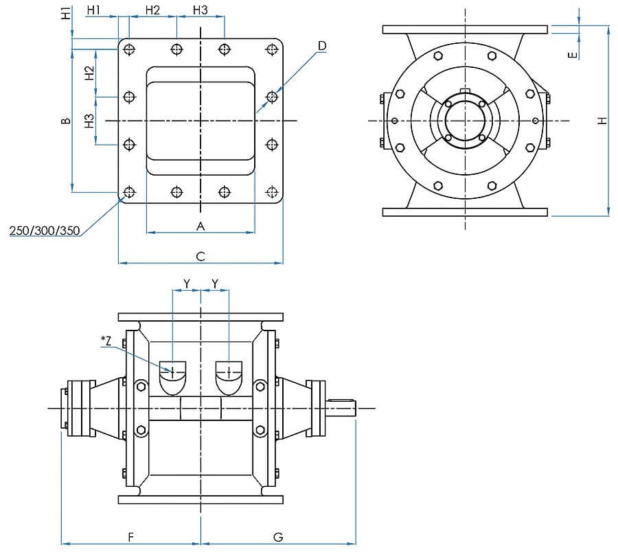
| Модель | Объём, л/об | Вход*/Выход | Прочие размеры | |||||||||||
|---|---|---|---|---|---|---|---|---|---|---|---|---|---|---|
| A | B | C | D | H1 | H2 | H3 | E | H | F | G | Y | *Z | ||
| RFS 150 | 4 | 150 | 220 | 260 | 8ר22 | 60 | 279 | 8ר22,2 | 15 | 320 | 245 | 265 | 37,5 | 1″ |
| RFS 200 | 10 | 200 | 280 | 320 | 8ר22 | 80 | 343 | 8ר22,2 | 15 | 380 | 275 | 305 | 55 | 1¼″ |
| RFS 250 | 18 | 250 | 330 | 380 | 8ר22 | 25 | 406 | 8ר25,4 | 18 | 440 | 322 | 355 | 65 | 1¼″ |
| RFS 300 | 30 | 300 | 390 | 440 | 8ר22 | 25 | 483 | 8ר25,4 | 23 | 520 | 365 | 405 | 85 | 1¼″ |
| RFS 350 | 45 | 350 | 450 | 510 | 8ר22 | 30 | 533 | 8ר28,6 | 25 | 580 | 403 | 445 | 90 | 1½″ |
| RFS 400 | 65 | 400 | 500 | 560 | 8ר24 | 30 | 597 | 8ר28,6 | 25 | 640 | 433 | 475 | 105 | 1½″ |
| *Примечание: возможны технические изменения. Размеры в мм. | ||||||||||||||