
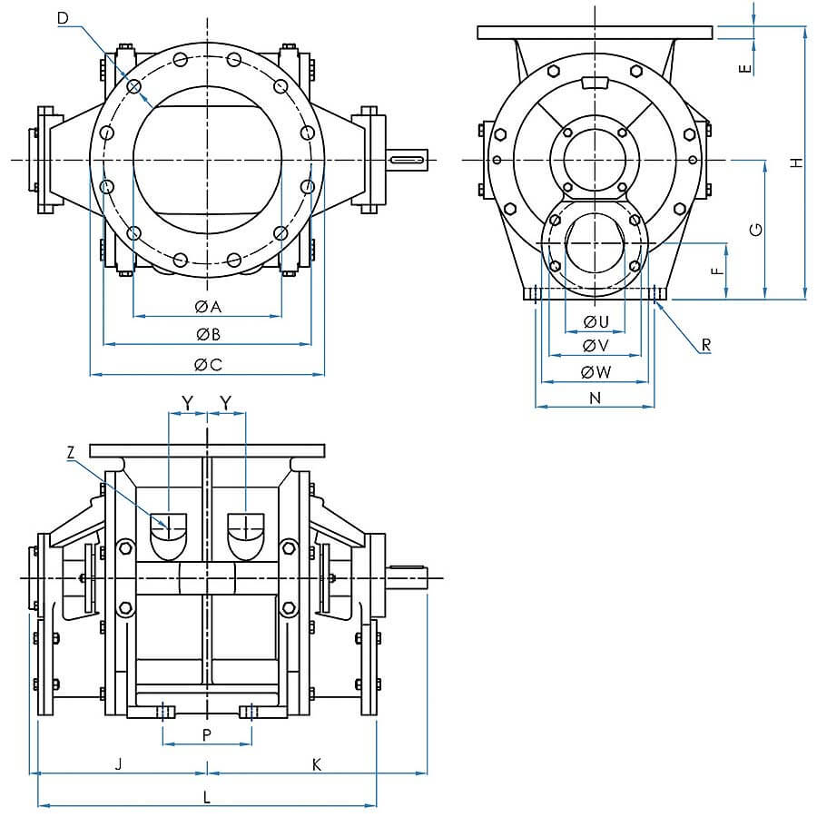
| Модель | Объём, л/об | Вход* | Канал продувки | ||||||||
|---|---|---|---|---|---|---|---|---|---|---|---|
| ØA | ØB (DIN) | ØC (DIN) | D (DIN) | ØB (ANSI) | ØC (ANSI) | D (ANSI) | ØU | ØV | ØW | ||
| RBC 150 | 4 | 150 | 240 | 285 | 8ר22 | 241,3 | 279 | 8ר22,2 | 65 | 100 | 130 |
| RBC 200 | 10 | 200 | 295 | 340 | 8ר22 | 298,4 | 343 | 8ר22,2 | 80 | 130 | 150 |
| RBC 250 | 18 | 250 | 350 | 395 | 8ר22 | 361,9 | 406 | 8ר25,4 | 100 | 155 | 180 |
| RBC 300 | 30 | 300 | 400 | 445 | 8ר22 | 431,8 | 483 | 8ר25,4 | 125 | 180 | 210 |
| Модель | Прочие размеры | |||||||||||
|---|---|---|---|---|---|---|---|---|---|---|---|---|
| E | F | G | H | J | K | L | N | P | R | Y | *Z | |
| RBC 150 | 18 | 70 | 170 | 340 | 225 | 275 | 370 | 130 | 100 | 4ר16 | 37.5 | 1″ |
| RBC 200 | 18 | 80 | 200 | 390 | 255 | 315 | 430 | 160 | 130 | 4ר16 | 55 | 1¼″ |
| RBC 250 | 21 | 95 | 235 | 460 | 300 | 370 | 510 | 200 | 150 | 4ר18 | 65 | 1¼″ |
| RBC 300 | 25 | 110 | 270 | 530 | 340 | 420 | 590 | 240 | 180 | 4ר18 | 85 | 1¼″ |
| *Примечание: возможны технические изменения. Размеры в мм. | ||||||||||||