| Назначение | Дозированный ввод материала непосредственно в пневмотрубопровод (вакуум/напор) с поддержанием воздушного затвора |
| Материалы корпуса/крышек | Нерж. сталь AISI 304/316/304L/316L (стандарт - SS304) |
| Ротор | 10 или 12 лопастей, радиусные карманы; сменные/регулируемые наконечники лопастей |
| Быстрая очистка | направляющие, двойные линейные опоры, выкат ротора без инструмента |
| Подшипники | Вынесенные наружу |
| Уплотнение валов | Лабиринтные/сальниковые; продувка валов - опция |
| Внутренние покрытия | Твёрдый хром, карбид вольфрама, PTFE (тефлон) |
| Присоединение | GB/DIN PN10, ANSI 150#, JIS 10K |
| Перепад давления | До 1,5 бар |
| Особенности | Вент-порты корпуса; близкие допуски - минимальные утечки; аксессуары: монитор скорости, вент-бокс, станция регулировки продувки |
| Санитарность | Гладкие поверхности, быстрая мойка/инспекция без демонтажа из линии |
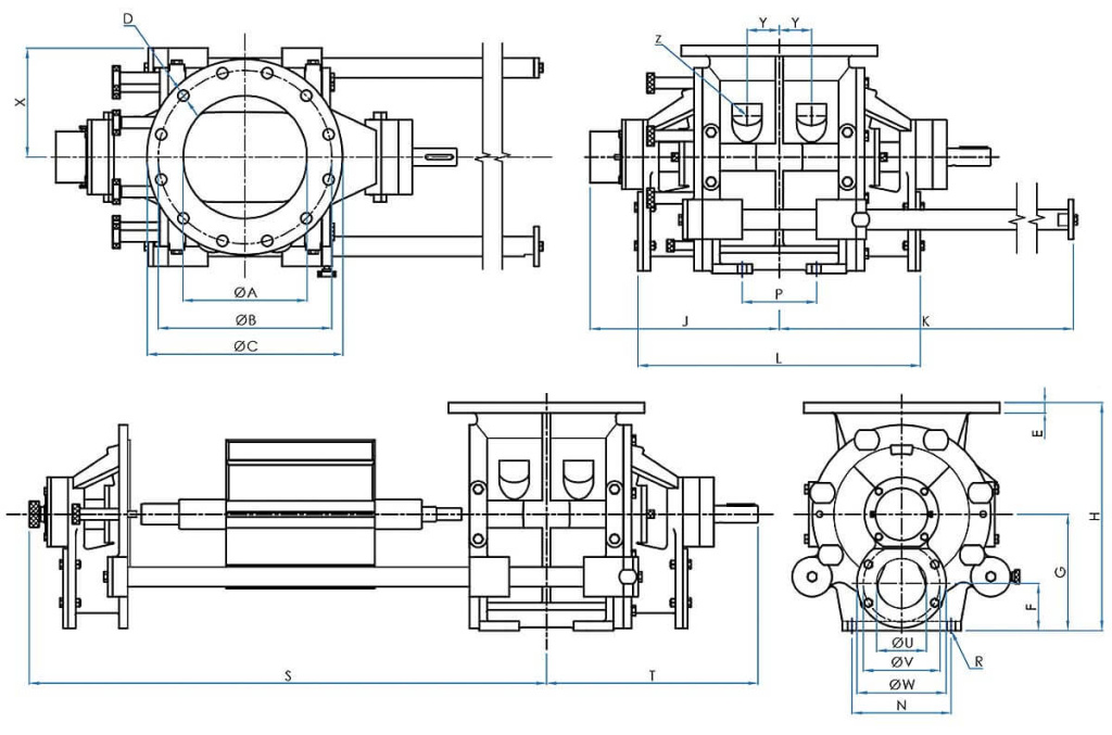
RBQ - продувной роторный клапан с быстрой очисткой для дозированной подачи и герметичного ввода порошков/гранулятов непосредственно в трубопровод пневмотранспорта. Встроенный продувной канал проходит через корпус и торцевые плиты, благодаря чему транспортный газ выдувает содержимое карманов ротора в магистраль. Это уменьшает остатки материала, повышает фактическую подачу при тех же оборотах и обеспечивает стабильный «воздушный затвор» при вакуумной и напорной транспортировке. Конструкция рассчитана на усиленную эксплуатацию: точная механическая обработка, малые зазоры «ротор-корпус», выносные подшипники и система уплотнений валов.
Модель для отраслей с повышенными санитарными требованиями - молочная, пищевая, фармацевтическая, нутрицевтика. Узел «лёгкий выкат ротора» (направляющие и двойные линейные опоры) позволяет выкатить ротор без инструмента и подъёмных средств, быстро выполнить мойку или осмотр и вернуть клапан в работу с сохранением соосности и исходных зазоров. Это снижает простой и помогает соблюдать требования HACCP/IFS/BRC при частых сменах продукта.
Модель для отраслей с повышенными санитарными требованиями — молочная, пищевая, фармацевтическая, нутрицевтика. Узел «лёгкий выкат ротора» (направляющие и двойные линейные опоры) позволяет выкатить ротор без инструмента и подъёмных средств, быстро выполнить мойку или осмотр и вернуть клапан в работу с сохранением соосности и исходных зазоров. Это минимизирует простой и помогает соблюдать требования HACCP/IFS/BRC при частых сменах продукта.
Корпус и торцевые плиты из нержавеющей стали марок AISI 304/316/304Л/316L (стандарт - 304). Для абразивных и налипающих сред доступны внутренние покрытия: твёрдый хром, карбид вольфрама, политетрафторэтилен. Предусмотрены лабиринтные и сальниковые уплотнения, опциональная продувка валов, вентиляционные порты корпуса, сменные и регулируемые наконечники лопастей, роторы на 10 или 12 лопастей с радиусными карманами. Присоединение фланцевое по стандартам GB/DIN PN10, ANSI 150#, JIS 10K.
С точки зрения процесса продувной клапан лучше самотёчного, когда важны малая высота, полное опорожнение карманов и минимум остатков (тонкодисперсные и слёживающиеся порошки, требуемая высокая массовая доля на входе в линию). Такая схема типична для клапанов с продувкой у ведущих производителей и даёт большую пропускную способность и меньшее падение давления за счёт выдувания карманов транспортным воздухом.
Материал из бункера (или из-под фильтра или циклона) поступает во входной патрубок и заполняет карманы ротора. При вращении карманы подходят к зоне выгрузки, где встроенный канал продувки подаёт транспортный газ через корпус и торцы прямо в карманы. Газ выдувает продукт в магистраль, а малые зазоры и уплотнения валов удерживают перепад давления между зонами. По сравнению с самотёчной схемой продувной вариант лучше опорожняет карманы, даёт более полное заполнение при тех же оборотах и меньше зависит от слёживания и налипания при дозировании.

| Модель | Объём, л/об | Вход* | Канал продувки | ||||||||
|---|---|---|---|---|---|---|---|---|---|---|---|
| ØA | ØB (DIN) | ØC (DIN) | D (DIN) | ØB (ANSI) | ØC (ANSI) | D (ANSI) | ØU | ØV | ØW | ||
| RBQ 150 | 4 | 150 | 240 | 285 | 8ר22 | 241,3 | 279 | 8ר22,2 | 65 | 100 | 130 |
| RBQ 200 | 10 | 200 | 295 | 340 | 8ר22 | 298,4 | 343 | 8ר22,2 | 80 | 130 | 150 |
| RBQ 250 | 18 | 250 | 350 | 395 | 8ר22 | 361,9 | 406 | 8ר25,4 | 100 | 155 | 180 |
| RBQ 300 | 30 | 300 | 400 | 445 | 8ר22 | 431,8 | 483 | 8ר25,4 | 125 | 180 | 210 |
| Модель | Прочие размеры | ||||||||||||||
|---|---|---|---|---|---|---|---|---|---|---|---|---|---|---|---|
| E | F | G | H | J | K | L | N | P | R | S | T | X | Y | *Z | |
| RBQ 150 | 18 | 70 | 170 | 340 | 300 | 695 | 370 | 130 | 100 | 4ר16 | 885 | 320 | 152 | 37,5 | 1″ |
| RBQ 200 | 18 | 80 | 200 | 390 | 330 | 755 | 430 | 160 | 130 | 4ר16 | 945 | 350 | 187 | 55 | 1¼″ |
| RBQ 250 | 21 | 95 | 235 | 460 | 380 | 870 | 510 | 200 | 150 | 4ר18 | 1040 | 420 | 220 | 65 | 1¼″ |
| RBQ 300 | 25 | 110 | 270 | 530 | 435 | 945 | 590 | 240 | 180 | 4ר18 | 1180 | 465 | 259 | 85 | 1¼″ |
| *Примечание: возможны технические изменения. Размеры в мм. | |||||||||||||||