Вакуумный захват VC 75

Цена по запросу
Запросить условия и сроки поставки
  • Перезвоним в течении 15 минут
  • Отправим цены и услови поставки
  • Уточним требования к оборудованию
  • Выгодный лизинг от 6.9%
  • Гарантия 2 года
  • Доставка по РФ и странам СНГ
Получить конкурентный счет
  • Описание
Вес захвата30,8 кг
Грузоподъемность34 кг

Вакуумный захват VC 75 — это специализированный инструмент, разработанный для интеграции с промышленными роботами. Он предназначен для эффективного перемещения и удержания различных объектов в автоматизированных производственных процессах.

Комплектация вакуумного захвата VC 75:

  • Крепление к роботу адаптируется под конкретные требования заказчика, обеспечивая надежную и точную установку на роботизированную руку.
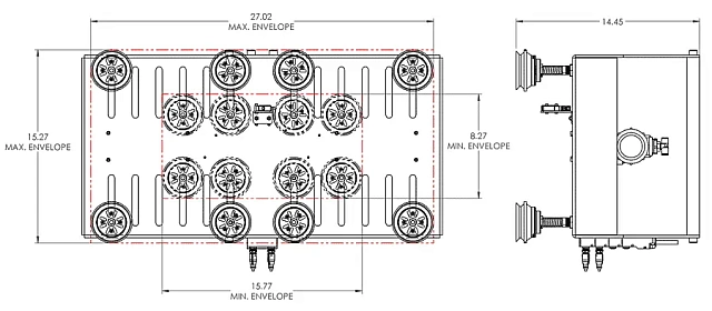
  • Восемь вакуумных присосок с компенсаторами уровня обеспечивают надежный захват объектов с различной поверхностью и формой, компенсируя возможные отклонения в высоте.
  • Два вакуумных генератора и два пневматических клапана 24 В постоянного тока обеспечивают эффективное создание и управление вакуумом для надежного удержания объектов.
  • Датчик присутствия груза позволяет определить наличие или отсутствие объекта, повышая точность и безопасность операций.

Регулировка позиций присосок: позиции вакуумных присосок можно настраивать в направлениях вперед-назад и влево-вправо, что обеспечивает гибкость при работе с объектами разных размеров и форм.

Дополнительные опции:

  • Захват поддонов: специальная настройка для эффективного захвата и перемещения поддонов.
  • Кастомизация: возможность индивидуальной настройки инструмента под специфические потребности клиента.

Преимущества вакуумного захвата VC 75:

  • Универсальность: благодаря регулируемым присоскам и возможности кастомизации, инструмент подходит для широкого спектра задач.
  • Надежность: использование качественных компонентов обеспечивает долгий срок службы и стабильную работу.
  • Простота интеграции: адаптируемое крепление и стандартные интерфейсы позволяют легко интегрировать захват VC 75 в существующие системы автоматизации.
  • Повышенная безопасность: наличие датчика присутствия детали снижает риск ошибок и повышает безопасность операций.
Вакуумный захват ВС 75 представляет собой эффективное решение для автоматизации процессов захвата и перемещения объектов, обеспечивая

высокую производительность и адаптивность в различных производственных средах.


загрузка карты...
ООО "Строймеханика" Адрес: г. Тула, ул. Люлина, 6а Телефон: 8 (800) 777-16-36 E-mail: info@stroymehanika.ru
Заказать звонок
Наш менеджер перезвонит вам в течении 5 минут
Оставить заявку
Наш специалист свяжется с вами в течении 5 минут
Менеджер
Заказать расчет
Бесплатный расчет сметы в течении одного дня