Робот-паллетайзер KW1180M-3200

Цена по запросу
Запросить условия и сроки поставки
  • Перезвоним в течении 15 минут
  • Отправим цены и услови поставки
  • Уточним требования к оборудованию
  • Выгодный лизинг от 6.9%
  • Гарантия 2 года
  • Доставка по РФ и странам СНГ
Получить конкурентный счет
  • Описание
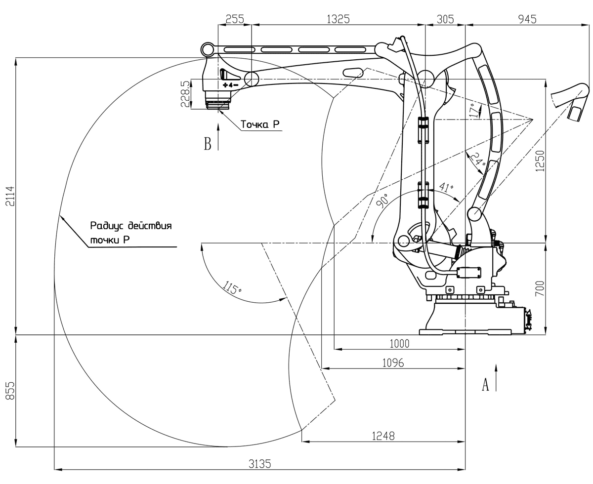
МодельKW1180M-3200
ТипВертикально-шарнирный робот, 4 степени свободы
Грузоподъёмность180 кг
Рабочий радиус3200 мм
Точность повторного позиционирования±0,2 мм
Масса робота1150 кг
Установленная мощность11 кВА
Способы установкиНапольный монтаж
Степень защитыIP54
Угол поворота 1-й оси-180°~180°
Скорость вращения 1-й оси100°/с
Угол поворота 2-й оси-41°~90°
Скорость вращения 2-й оси95°/с
Угол поворота 3-й оси-17°~115°
Скорость вращения 3-й оси104°/с
Угол поворота 4-й оси-360°~360°
Скорость вращения 4-й оси290°/с
Условия эксплуатации0…45 °C, влажность 20–80% без конденсата
Основные примененияТранспортировка, паллетирование, погрузка и разгрузка

KW1180M-3200 - это профессиональный четырёхосевой робот-паллетайзер с захватом грузов до 180 кг и рабочим радиусом 3200 мм. Он подходит для широкого круга задач: перенос, захват-укладка, паллетирование, погрузка и разгрузка, упаковка. Система обеспечивает высокую точность и скорость, простое и удобное управление, а полностью автоматический режим помогает снизить расходы на ручной труд.

Преимущества:

  • Большая досягаемость 3,2 м и высокая грузоподъёмность 180 кг - можно работать с крупной тарой и высокими палетами.
  • Быстрый и стабильный: оптимизированные суставы и сервоуправление выполняют команды точно и без рывков.
  • Простая, зрелая конструкция - меньше простоев, проще ввод и обслуживание.
  • Эффективная автоматизация: экономит труд, повышает выпуск, сокращает цикл.
  • Безопасность: встроенный E-STOP, возможность ограждений и межмашинных блокировок.

Интеграция в линию:

  • Связь с конвейерами, дозаторами, упаковщиками, обвязчиками и обмотчиками палет.
  • Стандартные сигналы «готов / занят / авария», синхронизация скоростей, межмашинные блокировки.
  • Быстрое редактирование программ и шаблонов укладки под ваши размеры.

загрузка карты...
ООО "Строймеханика" Адрес: г. Тула, ул. Люлина, 6а Телефон: 8 (800) 777-16-36 E-mail: info@stroymehanika.ru
Заказать звонок
Наш менеджер перезвонит вам в течении 5 минут
Оставить заявку
Наш специалист свяжется с вами в течении 5 минут
Менеджер
Заказать расчет
Бесплатный расчет сметы в течении одного дня