Промышленный робот-паллетайзер KW1060M-2100

Цена по запросу
Запросить условия и сроки поставки
  • Перезвоним в течении 15 минут
  • Отправим цены и услови поставки
  • Уточним требования к оборудованию
  • Выгодный лизинг от 6.9%
  • Гарантия 2 года
  • Доставка по РФ и странам СНГ
Получить конкурентный счет
  • Описание
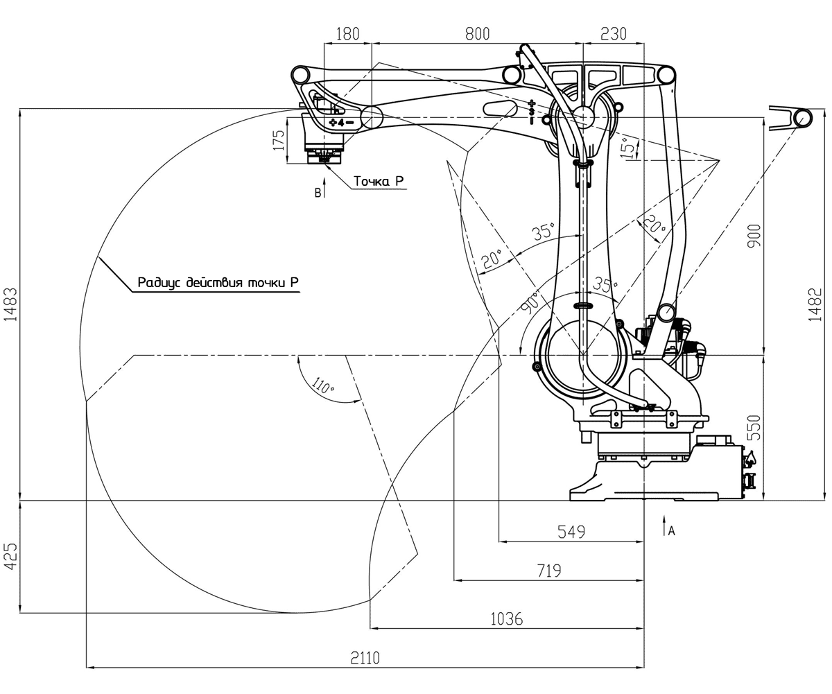
МодельKW1060M-2100
ТипВертикально-шарнирный робот, 4 степени свободы
Грузоподъёмность60 кг
Рабочий радиус2100 мм
Точность повторного позиционирования±0,2 мм
Масса робота500 кг
Установленная мощность5 кВА
Способы установкиНапольный монтаж
Степень защитыIP54
Угол поворота 1-й оси-180°~180°
Скорость вращения 1-й оси170°/с
Угол поворота 2-й оси-35°~90°
Скорость вращения 2-й оси148°/с
Угол поворота 3-й оси-15°~110°
Скорость вращения 3-й оси185°/с
Угол поворота 4-й оси-360°~360°
Скорость вращения 4-й оси285°/с
Условия эксплуатации0…45 °C, влажность 20–80% без конденсата
Основные примененияПеренос изделий, паллетирование, погрузка и разгрузка, захват и укладка, упаковка

KW1060M-2100 - это быстрый и устойчивый в работе четырёхосевой робот-паллетайзер для переноса, укладки на паллеты, загрузки и разгрузки. Он уверенно работает с изделиями весом до 60 кг и в зоне радиусом 2100 мм. Благодаря жёсткой механике и современному сервоуправлению робот ускоряет производство, снижает нагрузку на персонал и занимает минимум места на площадке.

Области применения:

  • Паллетирование готовой продукции.
  • Погрузка и разгрузка на конвейеры и из них.
  • Захват и укладка, комплектация, упаковка.

Отрасли: пищевые продукты и напитки, строительные материалы, логистика и склады, производство мебели и др.

Основные преимущества:

  • Большая рабочая зона (радиус 2100 мм) и высокая скорость движений.
  • Простая и надёжная конструкция — меньше простоев и легче обслуживание.
  • Экономия на ручном труде благодаря полной автоматизации.
  • Удобная эксплуатация: понятная панель управления, быстрый запуск.
  • Безопасность: штатная кнопка аварийной остановки, возможность ограждений и блокировок.

Опции:

  • Быстрая смена хватов под разные типы тары.
  • Дополнительные упоры и позиционеры для ровной укладки.
  • Интеграция со сканером штрих-кода/QR, учёт партий в MES/ERP.
  • Готовые шаблоны паллетирования под ваши размеры.
  • Пылезащита узлов, расширенная диагностика, удалённая поддержка.

Интеграция в линию:

  • Связь с оборудованием упаковки, конвейерами, обвязчиками, обмотчиками паллет.
  • Стандартные сигналы «готов / занят / авария», межмашинные блокировки, синхронизация скоростей.
  • Гибкая привязка точек забора/укладки и быстрое редактирование программ.

Безопасность и эргономика:

  • E-STOP на корпусе; возможность установки ограждений и световых завес.
  • Плавные разгоны/торможения для бережного обращения с грузом.
  • Режим обучения с пониженной скоростью.

загрузка карты...
ООО "Строймеханика" Адрес: г. Тула, ул. Люлина, 6а Телефон: 8 (800) 777-16-36 E-mail: info@stroymehanika.ru
Заказать звонок
Наш менеджер перезвонит вам в течении 5 минут
Оставить заявку
Наш специалист свяжется с вами в течении 5 минут
Менеджер
Заказать расчет
Бесплатный расчет сметы в течении одного дня