Робот-паллетайзер KW1030M-1835

Цена по запросу
Запросить условия и сроки поставки
  • Перезвоним в течении 15 минут
  • Отправим цены и услови поставки
  • Уточним требования к оборудованию
  • Выгодный лизинг от 6.9%
  • Гарантия 2 года
  • Доставка по РФ и странам СНГ
Получить конкурентный счет
  • Описание
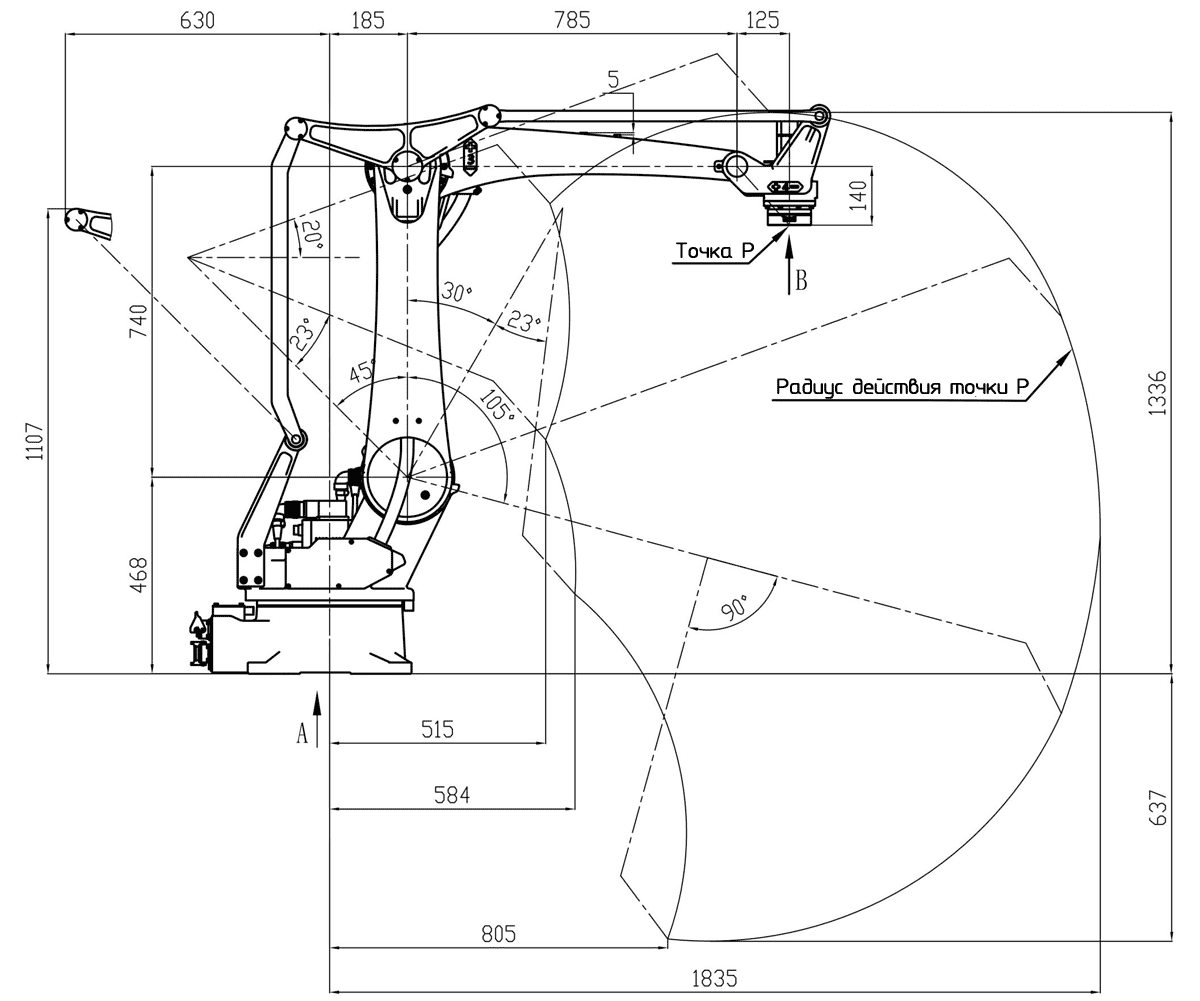
МодельKW1030M-1835
ТипВертикально-шарнирный робот, 4 степени свободы
Грузоподъёмность30 кг
Рабочий радиус1835 мм
Точность повторного позиционирования±0,05 мм
Масса робота220 кг
Установленная мощность3 кВ
Способы установкиНапольный монтаж
Степень защитыIP54
Угол поворота 1-й оси-170°~170°
Скорость вращения 1-й оси172°/с
Угол поворота 2-й оси-45°~105°
Скорость вращения 2-й оси172°/с
Угол поворота 3-й оси-20°~105°
Скорость вращения 3-й оси212°/с
Угол поворота 4-й оси-360°~360°
Скорость вращения 4-й оси350°/с
Условия эксплуатации0…45 °C, влажность 20–80% без конденсата
Основные примененияТранспортировка, паллетирование, погрузка и разгрузка

KW1030M-1835 - это быстрый и надёжный четырёхосевой робот для переноса изделий, паллетирования, загрузки и выгрузки. Он поднимает грузы до 30 кг и работает в зоне радиусом до 1835 мм. Робот отличается высокой точностью повторяемости, стабильной работой на высоких скоростях, простотой конструкции и низким энергопотреблением по всем осям. Компактное основание позволяет максимально эффективно использовать пространство рабочей зоны.

Области применения:

  • Паллетирование коробок, мешков, пакетов, лотков.
  • Погрузка и разгрузка на конвейеры и из них, подача к станкам и в упаковочные машины.
  • Захват и укладка, упаковка, сортировка.

Отрасли: пищевые продукты и напитки, мебель, строительные материалы, логистика и склад.

Преимущества и функциональные особенности:

  • Высокая точность повторяемости - стабильная укладка в ячейки, ровные ряды на палете.
  • Высокая скорость и устойчивость на всех осях при низком энергопотреблении.
  • Компактное основание - оптимальное использование площади и удобство интеграции.
  • Жёсткая механика + современное серво-управление - плавные траектории без вибраций.
  • Полная автоматизация - экономия на ручном труде и сокращение простоев.
  • Простое и понятное управление - быстрый ввод в эксплуатацию и обучение персонала.
  • Безопасность: штатная кнопка аварийной остановки, поддержка ограждений и блокировок.

Интеграция в линию:

  • Связь с конвейерами, упаковщиками, обвязчиками и обмотчиками палет.
  • Стандартные сигналы «готов / занят / авария», межмашинные блокировки, синхронизация скорости подачи.
  • Быстрые шаблоны паллетирования под типовые форматы тары; удобное редактирование под ваши задачи.

Безопасность и эргономика:

  • Кнопка E-STOP на корпусе, возможность установки ограждений и световых завес.
  • Плавные ускорения и торможения для снижения ударных нагрузок на продукт и оснастку.
  • Режим обучения с пониженной скоростью для безопасной наладки.

загрузка карты...
ООО "Строймеханика" Адрес: г. Тула, ул. Люлина, 6а Телефон: 8 (800) 777-16-36 E-mail: info@stroymehanika.ru
Заказать звонок
Наш менеджер перезвонит вам в течении 5 минут
Оставить заявку
Наш специалист свяжется с вами в течении 5 минут
Менеджер
Заказать расчет
Бесплатный расчет сметы в течении одного дня