Компактный робот-паллетайзер KW1010M-1500

Цена по запросу
Запросить условия и сроки поставки
  • Перезвоним в течении 15 минут
  • Отправим цены и услови поставки
  • Уточним требования к оборудованию
  • Выгодный лизинг от 6.9%
  • Гарантия 2 года
  • Доставка по РФ и странам СНГ
Получить конкурентный счет
  • Описание
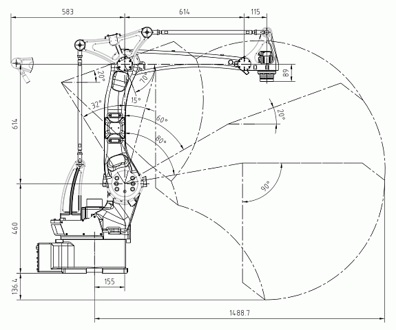
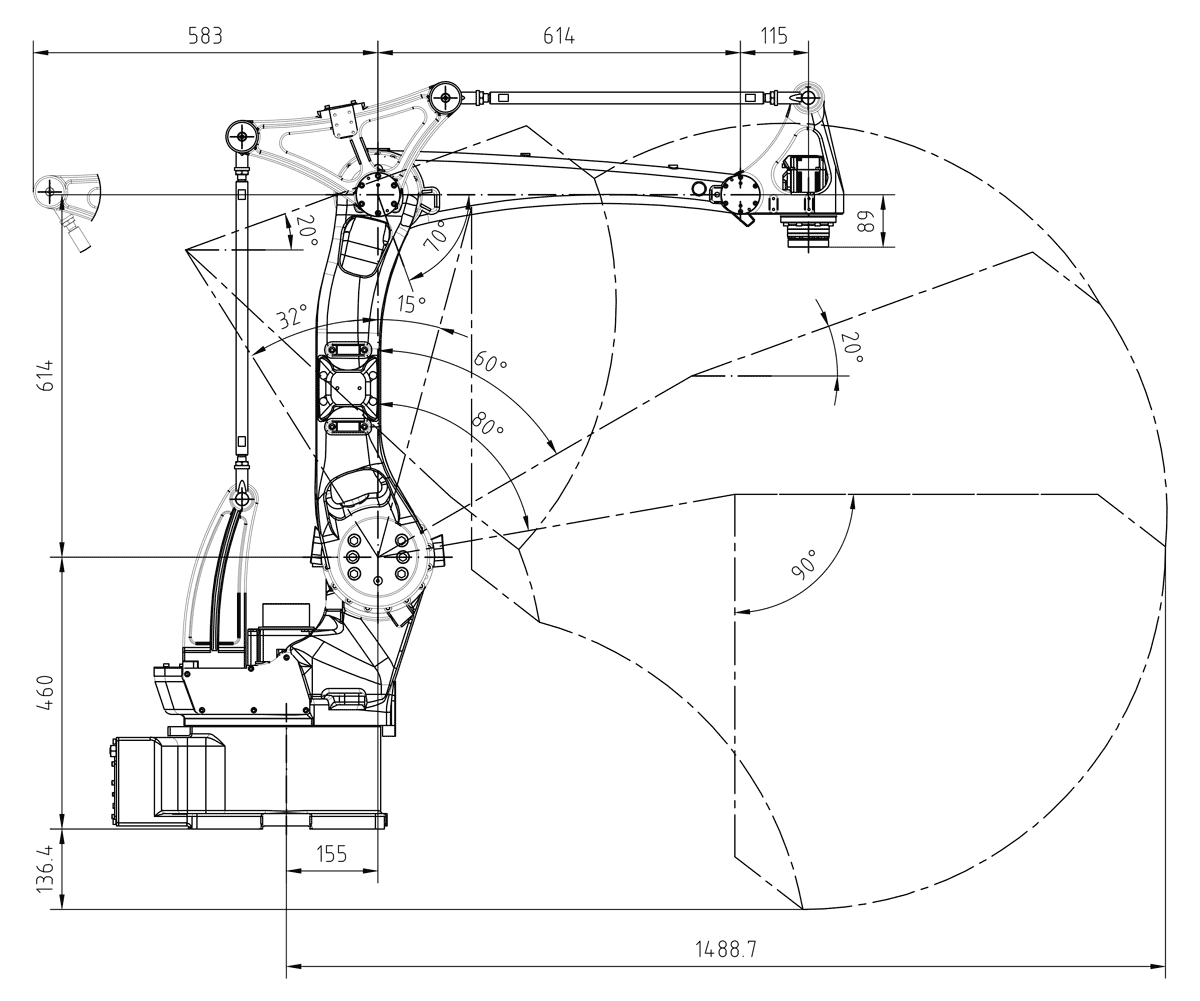
МодельKW1010M-1500
ТипВертикально-шарнирный робот, 4 степени свободы
Грузоподъёмность10 кг
Рабочий радиус1500 мм
Точность повторного позиционирования±0,05 мм
Масса робота165 кг
Установленная мощность3 кВ
Способы установкиНапольная, на кронштейне, инвертированная (подвесная)
Степень защитыIP56/IP67
Угол поворота 1-й оси-170°~170°
Скорость вращения 1-й оси223°/с
Угол поворота 2-й оси-32°~80°
Скорость вращения 2-й оси173°/с
Угол поворота 3-й оси20°~-90°
Скорость вращения 3-й оси300°/с
Угол поворота 4-й оси-360°~360°
Скорость вращения 4-й оси480°/с
Условия эксплуатации0…45 °C, влажность 20–80% без конденсата
Основные примененияТранспортировка, паллетирование, погрузка и разгрузка

KW1010M-1500 - это быстрый и надёжный четырёхосевой робот для паллетирования и общих грузовых операций. Он подходит для изделий массой до 10 кг в пределах рабочего радиуса 1500 мм, отличается высокой точностью позиционирования, стабильной работой на высоких скоростях и простой конструкцией, что упрощает обслуживание и снижает стоимость владения. Благодаря компактному основанию робот занимает минимум места и эффективно использует рабочую зону.

Сферы применения:

  • Паллетирование коробок, мешков, лотков и пакетов.
  • Погрузка и разгрузка на конвейеры и из них, подача к станкам и оборудованию.
  • Захват и укладка, упаковка, сортировка.

Отрасли: пищевые продукты и напитки, мебель, строительные материалы, логистика.

Функциональные особенности и преимущества:

  • Высокая скорость и устойчивость на всех осях при низком энергопотреблении.
  • Компактное основание - оптимальное использование пространства рабочей зоны.
  • Материалы высокой жёсткости и современное серво-управление - плавные траектории без вибраций.
  • Полная автоматизация - заметная экономия на ручном труде.
  • Простая и понятная эксплуатация - быстрое обучение персонала.
  • Безопасность: штатная кнопка аварийной остановки, возможность ограждений и блокировок.
  • Лёгкая конструкция и небольшой «след» на полу - проще монтировать, переставлять и обслуживать.

Возможности интеграции в линию:

  • Связь с конвейерами, упаковщиками, обвязчиками и обмотчиками паллет.
  • Сигналы «готов/занят/авария», управление скоростью подачи, межмашинные блокировки.
  • Готовые шаблоны паллетирования под типовые форматы тары; быстрое редактирование под задачи заказчика.

Безопасность и эргономика:

  • Кнопка E-STOP на корпусе, возможность установки ограждений и световых завес.
  • Плавные разгоны/торможения для снижения ударных нагрузок.
  • Режим обучения с пониженной скоростью.

загрузка карты...
ООО "Строймеханика" Адрес: г. Тула, ул. Люлина, 6а Телефон: 8 (800) 777-16-36 E-mail: info@stroymehanika.ru
Заказать звонок
Наш менеджер перезвонит вам в течении 5 минут
Оставить заявку
Наш специалист свяжется с вами в течении 5 минут
Менеджер
Заказать расчет
Бесплатный расчет сметы в течении одного дня