Промышленный робот-манипулятор KW1170B-2700

Цена по запросу
Запросить условия и сроки поставки
  • Перезвоним в течении 15 минут
  • Отправим цены и услови поставки
  • Уточним требования к оборудованию
  • Выгодный лизинг от 6.9%
  • Гарантия 2 года
  • Доставка по РФ и странам СНГ
Получить конкурентный счет
  • Описание
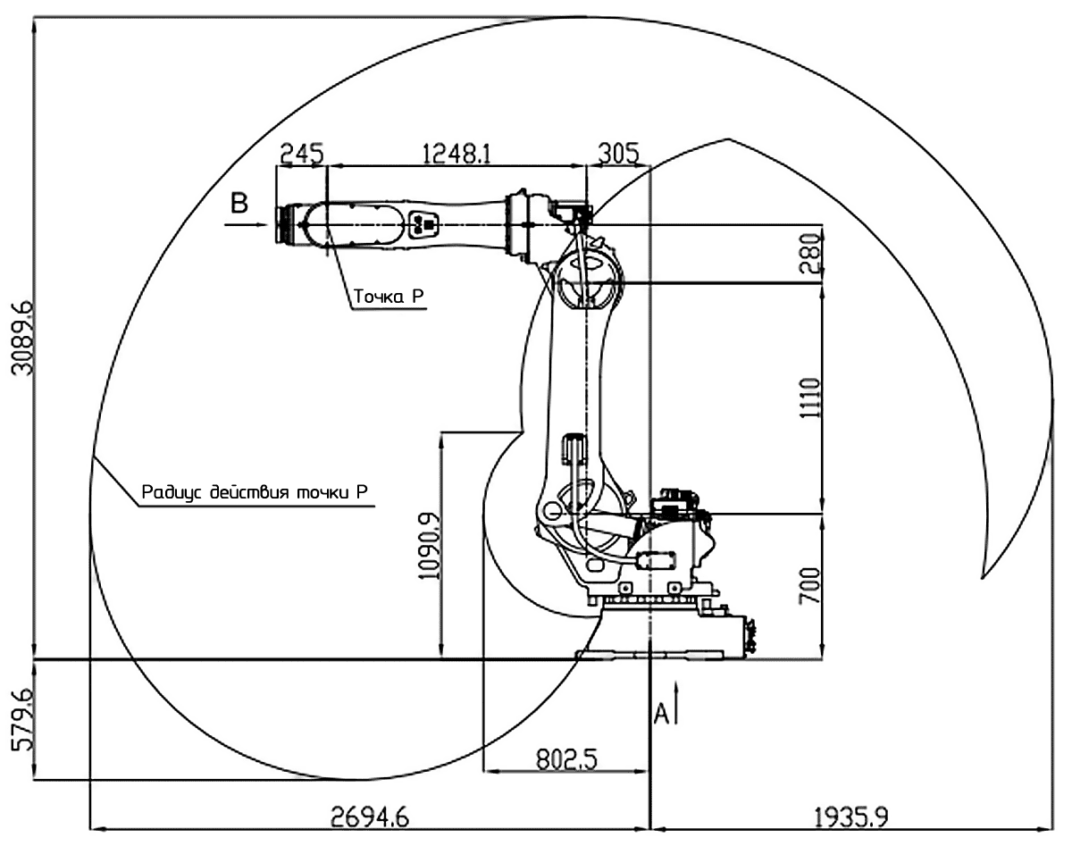
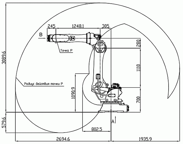
МодельKW1170B-2700
ТипВертикально-шарнирный робот, 6 степени свободы
Грузоподъёмность170 кг
Рабочий радиус2700 мм
Точность повторного позиционирования±0,06 мм
Масса робота1020 кг
Установленная мощность11 кВА
Способы установкиНапольный монтаж / монтаж на основание
Степень защитыIP54
Угол поворота 1-й оси-180°~180°
Скорость вращения 1-й оси120°/с
Угол поворота 2-й оси-60°~90°
Скорость вращения 2-й оси110°/с
Угол поворота 3-й оси-150°~-80°
Скорость вращения 3-й оси120°/с
Угол поворота 4-й оси-180°~180°
Скорость вращения 4-й оси200°/с
Угол поворота 5-й оси-125°~125°
Скорость вращения 5-й оси210°/с
Угол поворота 6-й оси-360°~360°
Скорость вращения 6-й оси265°/с
Условия эксплуатации0…45 °C, влажность 20–80% без конденсата
Основные примененияТранспортировка, паллетирование, погрузка и разгрузка

KW1170B-2700 - это 6-осевой промышленный робот с полезной нагрузкой 170 кг и рабочим радиусом 2700 мм. Подходит для операции переноса, захвата-укладки, паллетирования, погрузки и разгрузки. Благодаря высокой жёсткости конструкции, точным сервоприводам и удобному управлению, робот подходит для автоматизации «листовых» и крупногабаритных деталей в самых разных отраслях: пищевое производство, производство стройматериалов, логистика и склады. Полностью автоматический режим снижает трудозатраты, повышает выпуск и качество.

Преимущества и особенности:

  • Высокая точность повторяемости траекторий - ровная укладка и минимальный брак.
  • Большая кинематическая гибкость 6 осей — удобно работать в стеснённых местах, ориентировать деталь под нужный угол.
  • Компактный монтаж на полу/на основании - эффективное использование пространства рабочей зоны.
  • Простая эксплуатация: понятная панель управления, быстрый запуск, удобное обучение персонала.
  • Экономия на ручном труде и предсказуемое качество.

Области применения:

  • Перенос и сортировка листов, панелей, пакетов, коробов и заготовок.
  • Паллетирование, погрузка/разгрузка с конвейеров и в них.
  • Сборка и укладка в оснастку, подача к станкам и упаковочным машинам.

Интеграция в линию:

  • Связь с конвейерами, дозаторами, упаковщиками, обмотчиками паллет, прессами и станками.
  • Стандартные сигналы «готов / занят / авария», межмашинные блокировки, синхронизация скоростей.
  • Шаблоны траекторий и паллетирования с быстрым редактированием под ваши форматы.

Безопасность и эргономика:

  • Кнопка аварийной остановки (E-STOP).
  • Возможность ограждений и световых завес.
  • Плавные разгоны/торможения, аккуратное обращение с изделием.
  • Режим обучения с пониженной скоростью.

загрузка карты...
ООО "Строймеханика" Адрес: г. Тула, ул. Люлина, 6а Телефон: 8 (800) 777-16-36 E-mail: info@stroymehanika.ru
Заказать звонок
Наш менеджер перезвонит вам в течении 5 минут
Оставить заявку
Наш специалист свяжется с вами в течении 5 минут
Менеджер
Заказать расчет
Бесплатный расчет сметы в течении одного дня