Станция растаривания клапанных мешков СР 200

Под заказ
Цена: 71 500 руб.
Запросить условия и сроки поставки
  • Перезвоним в течении 15 минут
  • Отправим цены и услови поставки
  • Уточним требования к оборудованию
  • Выгодный лизинг от 6.9%
  • Гарантия 2 года
  • Доставка по РФ и странам СНГ
Получить конкурентный счет
  • Описание
  • Чертежи
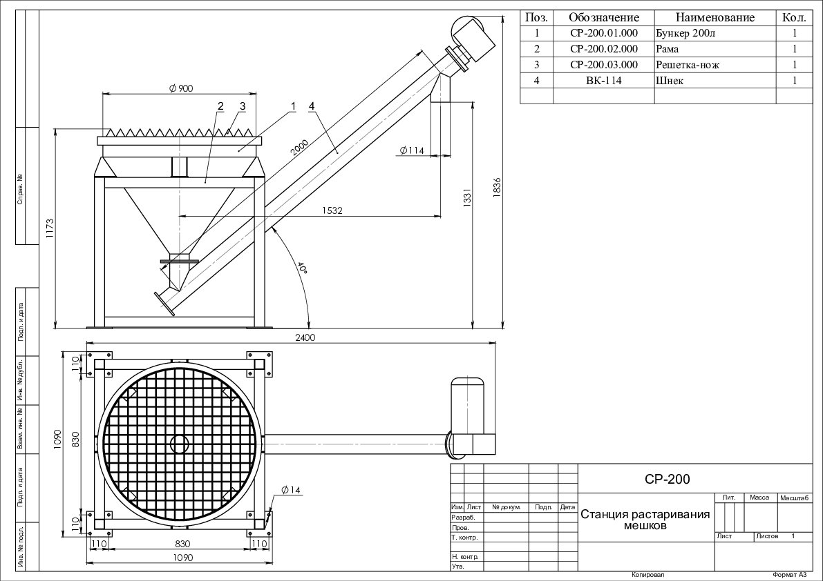
Масса разгружаемого материала, кг25-50
Габаритные размеры станции (Д×Ш×В), мм1090×1090×1173
Габаритные размеры станции при транспортировке (Д×Ш×В), мм1090×1090×1173
Объем емкости для материала, м³0,2
Размер мешкасогласно техническому заданию
Электрическое питание, В/Гц380/50
Масса, кг116
Максимальная высота загрузки, мм1200

Станция растаривания клапанных мешков СР 200 производства машиностроительного предприятия "СтройМеханика" предназначена для выгрузки материала из бумажных клапанных мешков и его транспортировки с помощью винтового конвейера дальше по технологической цепочке. Данная станция идеально подходит для растаривания таких материалов как цемент, песок, гипс и смеси на его основе и других сухих сыпучих материалов из клапанных мешков объемом до 50 кг.

Вскрытие клапанного мешка осуществляется с помощью ножа-вспарывателя, установленного на приемном бункере станции растаривания. Для предотвращения заклинивания винтового конвейера, предназначенного для выгрузки материала из приемного бункера, крупными частями материала, на приемный бункер устанавливается просеивающая решетка. Все поверхности станции растаривания, которые соприкасаются с материалом, имеют высококачественное лакокрасочное покрытие, снижающее износ. По желанию заказчика станция растаривания клапанных мешком может быть дополнительно укомплектована винтовым конвейером нестандартного исполнения.

Принцип работы станции растаривания клапанных мешков СР 200.
Бумажный клапанный мешок оператором подается в зону растаривания над приемным бункером, где с помощью ножа-вспарывателя происходит его вскрытие. Материал самотеком высыпается в накопительный бункер и скапливается там до необходимого объема. Решетка, установленная над накопительным бункером, предотвращает попадание крупных частей материала в шнековый транспортер, что в свою очередь исключает его заклинивание и выход из строя. После того, как в приемном бункере соберется необходимое количество материала, включается винтовой конвейер и материал транспортируется к месту его дальнейшего использования.

Небольшие габаритные размеры станции растаривания клапанных мешков СР 200 позволяют с легкостью транспортировать ее в малогабаритном автотранспорте, что является неоспоримым преимуществом.

В качестве запорно-регулирующего устройства может применяться дисковый затвор VB/AR или ножевой затвор серии NZ, также выпускаемые машиностроительным предприятием "СтройМеханика".


загрузка карты...
ООО "Строймеханика" Адрес: г. Тула, ул. Люлина, 6а Телефон: 8 (800) 777-16-36 E-mail: info@stroymehanika.ru
Заказать звонок
Наш менеджер перезвонит вам в течении 5 минут
Оставить заявку
Наш специалист свяжется с вами в течении 5 минут
Менеджер
Заказать расчет
Бесплатный расчет сметы в течении одного дня