Панельный индикатор уровня и процесса с линейной шкалой

Цена: 8 762 руб.
Запросить условия и сроки поставки
  • Перезвоним в течении 15 минут
  • Отправим цены и услови поставки
  • Уточним требования к оборудованию
  • Выгодный лизинг от 6.9%
  • Гарантия 2 года
  • Доставка по РФ и странам СНГ
Получить конкурентный счет
  • Описание
Назначение: 
Тип прибораПанельный индикатор уровня и процесса с цифровым табло и линейной LED-шкалой
Области примененияПищевая промышленность, насосные станции, очистные сооружения сточных вод, химические участки, метеостанции, пивоваренные линии и др.
Отображение: 
Цифровая индикацияДве 4-разрядные светодиодные индикации
Линейная шкала40-сегментный светодиодный барграф, шкала 0–100%
Состояния/индикаторыСветодиоды тревог: AHH, AH, AL, ALL; сервисное сообщение PASS при самопроверке
Входы: 
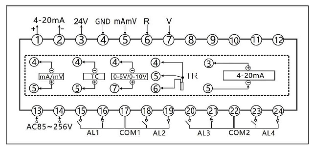
ТермопарыT, R, J, B, S, K, E
ТермосопротивленияPt100, Cu50
Стандартные сигналы (масштабируемые)0–20 мА, 4–20 мА, 0–10 В
Точность: 
Точность измерения0,2% FS (от полной шкалы)
Точность аналоговой передачи0,5% FS
Скорость: 
Частота выборки5 с
Выходы: 
Релейные выходы тревог4 реле; режимы: верхний предел, нижний предел, в пределах диапазона, вне диапазона; поддержка сверхнижнего/сверхверхнего
Параметры контактов реле250 В AC, 7 А
Аналоговый выход (опции)0–20 мА / 4–20 мА / 0–10 В (настраиваемый диапазон)
Коммуникации: 
Интерфейс связиRS-485 (Modbus RTU) — опция
Питание: 
Диапазон питания (AC)85–265 В AC
Диапазон питания (DC)18–36 В DC
Условия эксплуатации: 
Рабочая температура–10…+50 °C
Габариты и монтаж: 
Размер корпуса (горизонтальный)**80×160×90 мм
Размер корпуса (вертикальный)**160×80×90 мм
МонтажЩитовой (панельный), крепление в вырез двери/панели
Комплект поставки: 
СоставПрибор, комплект крепежных лапок, руководство по эксплуатации

звёздочкой отмечены два взаимозаменяемых типоразмера — под горизонтальную или вертикальную ориентацию на панели.

Панельный индикатор уровня и процесса - это прибор щитового монтажа, который одновременно показывает значение на крупном цифровом табло и на линейной светодиодной шкале из 40 сегментов. Такая визуализация позволяет буквально одним взглядом понять текущий процент заполнения, тренд роста/падения и положение уставок. Прибор подходит для задач индикации уровня жидкостей и сыпучих материалов, температуры от термопар и термосопротивлений, а также для отображения стандартных токовых и напряженческих сигналов от промышленных датчиков.

В основе - промышленный ARM-контроллер и специализированный чип управления питанием, что обеспечивает стабильную работу в непрерывных циклах. На лицевой панели расположены: две четырёхразрядные цифровые индикации, линейка 0–100 %, клавиши управления ▲/▼/▶ и SET для быстрой настройки, а также светодиоды сигнализации AHH / AH / AL / ALL (сверхверхний, верхний, нижний и сверхнижний уровни). В режиме самотестирования прибор выводит сообщение PASS, подтверждая готовность к работе.

Прибор особенно востребован там, где нужно видеть процесс «в динамике»: пищевые производства, насосные станции и очистные сооружения сточных вод, химические участки, метеопосты, пивоваренные линии и любые другие объекты, где важно и наглядное отображение значения, и оперативная оценка изменения параметра.

Функциональные возможности:

  • Поддержка первичных преобразователей.
    Приём сигналов от термопар T, R, J, B, S, K, E и термосопротивлений Pt100, Cu50, а также унифицированных аналоговых сигналов: 0–20 мА, 4–20 мА, 0–10 В. Пределы измерения и масштабирование настраиваются под требуемые единицы.
  • Индикация значения и заполнения.
    Отображение текущего параметра в процентах на линейной LED-шкале (bargraph, 40 сегментов) и числовое представление на двух четырёхразрядных индикаторах — удобно для контроля уровня жидкостей и сыпучих материалов и других технологических величин.
  • Сигнализация по четырём уставкам.
    Четыре релейных выхода с настраиваемыми уставками и режимами срабатывания: верхний предел, нижний предел, в пределах диапазона, вне диапазона; поддерживаются уровни сверхнижний, нижний, верхний, сверхверхний для реализации алгоритмов защиты и управления.
  • Аналоговая ретрансляция.
    Выходной аналоговый сигнал (выбор 0–20 мА / 4–20 мА / 0–10 В) для передачи измеренного значения на регистраторы, ПЛК и модули сбора данных; диапазон ретрансляции конфигурируемый.
  • Интерфейс связи (опционально).
    RS-485 с протоколом Modbus RTU для интеграции в системы АСУ ТП и удалённого опроса.
  • Питание и применяемость.
    Широкий диапазон питания: 85–265 В AC либо 18–36 В DC, что позволяет использовать прибор как в шкафах с однофазной сетью 220 В, так и в шкафах постоянного тока.

Преимущества эксплуатации:

  • Высокая метрологическая точность.
    Погрешность измерения - 0,2% от полной шкалы (FS); погрешность аналоговой ретрансляции - 0,5% FS. Достаточно для задач диспетчеризации, сигнализации и контуров технологического управления.
  • Наглядная индикация процесса.
    40-сегментный LED-барграф отображает фактический процент заполнения (0–100%), что удобно для контроля уровня в резервуарах и силосах; параллельно доступно цифровое значение.
  • Готовность к встраиванию в автоматику.
    4 релейных выхода (контакты 250 В AC, 7 А) позволяют напрямую формировать сигналы тревоги и управлять исполнительными устройствами (сирены, сигнальные колонны, насосы, задвижки) через контакторы.
  • Оперативная настройка на месте.
    Кнопка SET и клавиши навигации обеспечивают ввод уставок, масштабирование и конфигурацию выходов без применения внешнего ПО.
  • Удобство монтажа и компоновки.
    Два взаимозаменяемых типоразмера корпуса - 80×160×90 мм и 160×80×90 мм — для горизонтальной либо вертикальной установки в дверце или панели шкафа управления.

загрузка карты...
ООО "Строймеханика" Адрес: г. Тула, ул. Люлина, 6а Телефон: 8 (800) 777-16-36 E-mail: info@stroymehanika.ru
Заказать звонок
Наш менеджер перезвонит вам в течении 5 минут
Оставить заявку
Наш специалист свяжется с вами в течении 5 минут
Менеджер
Заказать расчет
Бесплатный расчет сметы в течении одного дня